Цилиндрический редуктор DR974 3,5 об/мин ... 5,0 об/мин
3,5 об/мин ... 5,0 об/мин
Спецификация привода:Цилиндрическая зубчатая передача
Компактное расположение параллельными осями
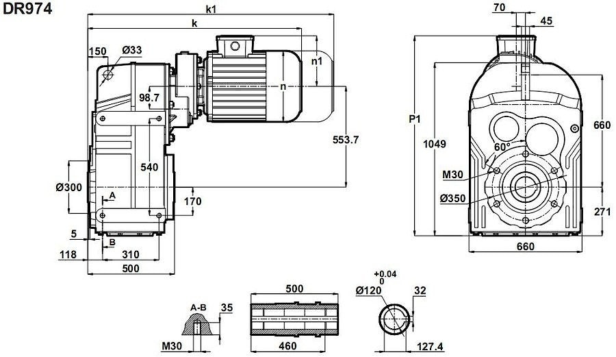
Маркировка DR974-132M/4
Количество ступеней: 4
Подводимый мотор: 7,5*1500 , 7,5*1000 , 7,5*750
Вращательный момент: 15000 Нм - 20000 Нм.
Передаточные отношения: 333/1 , 370/1 , 415/1.
Допустимые радиальные нагрузки: 20000 N.
Крепежные размеры могут быть изготовлены под заказ.
Условное обозначение
Каталог D-series
| Обороты на выходном валу | Крутящий момент на выходном валу | Передаточное число | Радиальные нагрузки на выходной вал | Сервис фактор | Тип редуктора | Масса |
| n2 (об/мин-1) | M2 (Нм) | i | Fr (Н) | fs | m (кг) | |
| 3,4 | 19593 | 415,16 | 195853 | 0,9 | DR974-132M/4 | 819 |
| 3,8 | 17546 | 371,15 | 202024 | 1,0 | ||
| 4,2 | 15770 | 333,23 | 206887 | 1,1 |

Вернуться к выбору мощностей
Мотор редуктор DR974 можно использовать как технический аналог к мотор редуктору SK9382 / 42 и SK9382 / 52 / выпускаемых NORD , Германия ; мотор-редуктору F904 / производства Bonfiglioli , Италия.
Если вы хотите купить цилиндрический редуктор DR974 , вы можете:
Позвонить:
Российская Федерация
+7 (495) 369-04-89
+7 (910) 726-725-4 (МТС) Смоленск
info@tech-privod.com
Республика Беларусь
+375 17 272-04-08 (т/ф) Минск
+375 29 61-787-61 (A1) Минск
+7 (495) 369-04-89
+7 (910) 726-725-4 (МТС) Смоленск
info@tech-privod.com
Республика Беларусь
+375 17 272-04-08 (т/ф) Минск
+375 29 61-787-61 (A1) Минск
