Цилиндрический редуктор DR874 5,5 об/мин ... 7,0 об/мин
5,5 об/мин ... 7,0 об/мин
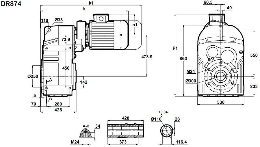
Мощный цилиндрический привод DR874-132M/4, многоступенчатый силовой зубчатый редукторный механизм с удобным для монтажа и крепления выходом с параллельным валом, эквивалент подводимой мощности - семь киловатт , передаваемые крутящие моменты: 10000 Нм - 13000 Нм. Для данной конфигурации предлагаемые варианты трансмиссионных передаточных чисел: i=1:225 , i=1:260 , i=1:295 .Редукторная установка отпускается заправленной заводской смазкой, имеются заливные, сливные и мерные технологические отверстия.
Условное обозначение
| Обороты на выходном валу | Крутящий момент на выходном валу | Передаточное число | Радиальные нагрузки на выходной вал | Сервис фактор | Тип редуктора | Масса |
| n2 (об/мин-1) | M2 (Нм) | i | Fr (Н) | fs | m (кг) | |
| 4,8 | 13851 | 293,46 | 66299 | 0,9 | DR874-132M/4 | 528 |
| 5,4 | 12254 | 259,15 | 81597 | 1,1 | ||
| 6,2 | 10685 | 225,61 | 88152 | 1,2 |

Вернуться к выбору мощностей
Мотор редуктор DR874 можно использовать как технический аналог к мотор редуктору SK8382 / 32 и SK8382 / 42 / выпускаемых NORD , Германия ; мотор-редуктору F904 / производства Bonfiglioli , Италия.
Если вы хотите купить цилиндрический редуктор DR874 , вы можете:
Позвонить:
Российская Федерация
+7 (495) 369-04-89
+7 (910) 726-725-4 (МТС) Смоленск
info@tech-privod.com
Республика Беларусь
+375 17 272-04-08 (т/ф) Минск
+375 29 61-787-61 (A1) Минск
+7 (495) 369-04-89
+7 (910) 726-725-4 (МТС) Смоленск
info@tech-privod.com
Республика Беларусь
+375 17 272-04-08 (т/ф) Минск
+375 29 61-787-61 (A1) Минск
