Цилиндрический редуктор DR272 и DR273 50 об/мин ... 280 об/мин
50 об/мин ... 280 об/мин
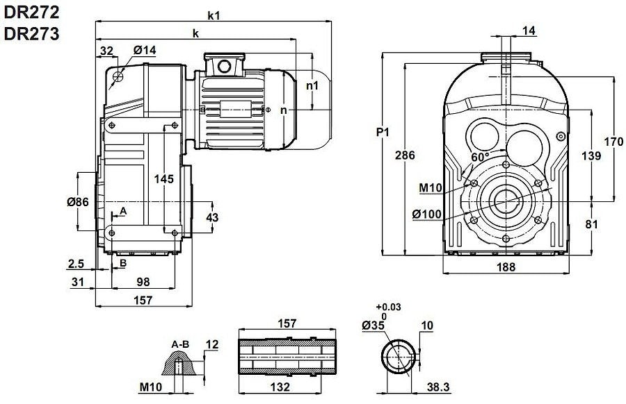
Цилиндрический редуктор с параллельными валами (а так же можно назвать этот тип как торцевой редуктор, насадной редуктор, вертикальный редуктор, навесной редуктор, редуктор с полым выходным валом и т.д) DR272-100L/4a и DR273-100L/4a с подводимой мощностью 2,2 кВт (или в пересчете 3,0 НР).Вращающие крутящие моменты: 100 нм - 400 нм.
Передаточные числа: 1 к 5 , 1 к 5,8 , 1 к 6,8 , 1 к 8,6 , 1 к 10 , 1 к 12, 1 к 14 и , 1 к 16, 1 к 18 , 1 к 21 , 1 к 23 , 1 к 25,5 , 1 к 30 , 1 к 36 , 1 к 42.
Гарантия - 24 месяца.
Условное обозначение
Каталог D-series
| Обороты на выходном валу | Крутящий момент на выходном валу | Передаточное число | Радиальные нагрузки на выходной вал | Сервис фактор | Тип редуктора | Масса |
| n2 (об/мин-1) | M2 (Нм) | i | Fr (Н) | fs | m (кг) | |
| 33 | 599 | 42,22 | 9222 | 0,8 | DR273-100L/4a | 35 |
| 38 | 516 | 36,38 | 10878 | 0,9 | ||
| 46 | 431 | 30,34 | 12244 | 1,0 | ||
| 55 | 362 | 25,44 | 13292 | 1,2 | ||
| 62 | 326 | 22,67 | 13593 | 1,4 | DR272-100L/4a | 33 |
| 66 | 307 | 21,33 | 13807 | 1,5 | ||
| 77 | 263 | 18,25 | 14275 | 1,7 | ||
| 88 | 231 | 16,00 | 14577 | 2,0 | ||
| 99 | 204 | 14,14 | 14645 | 2,2 | ||
| 118 | 172 | 11,90 | 14028 | 2,6 | ||
| 138 | 146 | 10,11 | 13459 | 2,9 | ||
| 162 | 125 | 8,67 | 12928 | 3,1 | ||
| 205 | 99 | 6,84 | 12087 | 3,2 | ||
| 241 | 84 | 5,82 | 11574 | 3,5 | ||
| 281 | 72 | 4,98 | 11099 | 3,8 |

Вернуться к выбору мощностей
Мотор-редуктор DR272 и DR273 - является полным аналогом мотор-редукторов TNC22 и TNC23 , TNC 22 и T NC 23 , TNC 2 2 и TN C 2 3 (производства Tos-Znojmo/Чехия ); можно рассматривать как технический аналог мотор-редукторов маркам MPL80 и MPL80/3 , MPD63 и MPD60/3 , MPL 80 и M PL 80 3 , MPD 63 и M PD60 3 , M PL80 и M PL 80 3 , M PD63 и MP D 63 3 (производства Siti/Италия); м/редукторов S062 и S063 , S 062 и S 063 , S 06 2 и S 06 3 (производства Motovario/Италия); SK2282 и SK2382 , SK 2282 и SK 23 82 , S K 2282 и SK 2382 (производства Nord/Германия); моторедуктор F252 и F253 , F 252 и F 25 3 , F 25 2 и F2 53 (производства Bonfiglioli/Италия).
Редуктор DT272 и DT273 является аналогом редукторов PL80- , PL80/3 , PD63- , PD63/3 , PL 80 , PL 80 3 , PD 63 , PD 63.3 , P L 80 , P L80 3 , P D 63 , P D 63 3 (производства Siti / Италия), редукторов ZA80B , ZA80C , ZA 80B , ZA 80 C , Z A 80B , ZA 80C (производства Tramec / Италия) .
Если вы хотите купить цилиндрический редуктор DR272 и DR273 , вы можете:
Позвонить:
Российская Федерация
+7 (495) 369-04-89
+7 (910) 726-725-4 (МТС) Смоленск
info@tech-privod.com
Республика Беларусь
+375 17 272-04-08 (т/ф) Минск
+375 29 61-787-61 (A1) Минск
+7 (495) 369-04-89
+7 (910) 726-725-4 (МТС) Смоленск
info@tech-privod.com
Республика Беларусь
+375 17 272-04-08 (т/ф) Минск
+375 29 61-787-61 (A1) Минск
