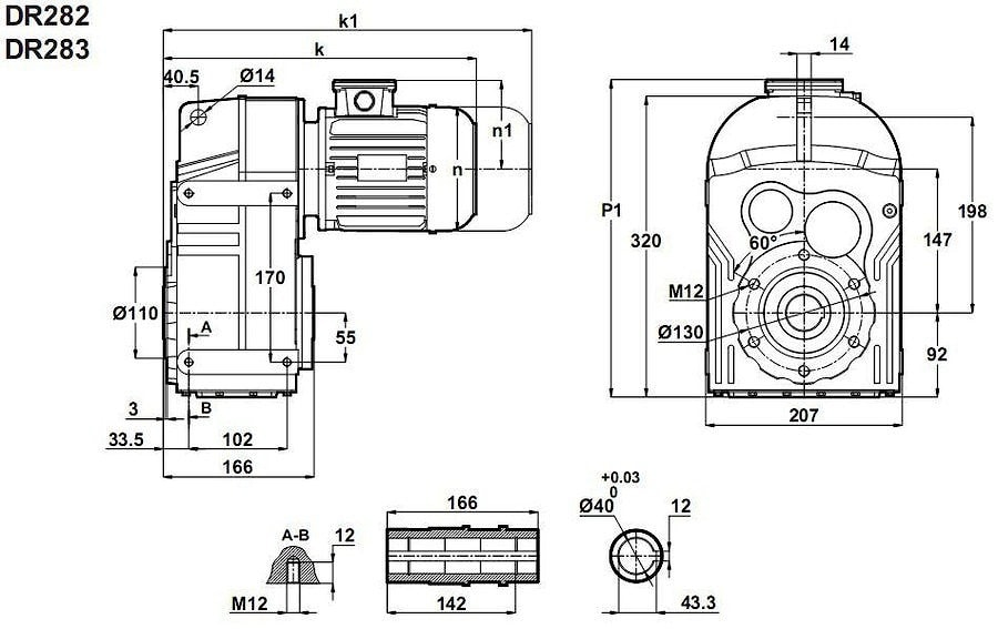
Цилиндрический редуктор DR282 и DR283 35 об/мин ... 170 об/мин
35 об/мин ... 170 об/мин
Мотор-редуктор DR282-100L/4a и DR283-100L/4a - универсальный промышленного назначения цилиндрический с параллельным выходным валом.Эквивалент подводимой мощности 3,0 НР (в качестве подключаемой энергетической установки используется как простой трехфазный асинхронный электродвигатель, синхронный двигатель, двигатель постоянного тока, гидромотор, ВОМ автотехники и др.).
Моменты усилий достигаемые на тихоходном валу: 150 Нм ~ 600 Нм.
Получаемые обороты: 26 об/мин ~ 171 об/мин.
Условное обозначение
Каталог D-series
| Обороты на выходном валу | Крутящий момент на выходном валу | Передаточное число | Радиальные нагрузки на выходной вал | Сервис фактор | Тип редуктора | Масса |
| n2 (об/мин-1) | M2 (Нм) | i | Fr (Н) | fs | m (кг) | |
| 26 | 755 | 53,18 | 5230 | 0,8 | DR283-100L/4a | 42 |
| 31 | 648 | 45,56 | 8313 | 0,9 | ||
| 34 | 587 | 41,23 | 9546 | 1,0 | ||
| 40 | 503 | 35,35 | 10901 | 1,2 | ||
| 46 | 431 | 30,28 | 11897 | 1,4 | ||
| 56 | 357 | 24,79 | 12767 | 1,7 | DR282-100L/4a | 39 |
| 66 | 307 | 21,28 | 13300 | 2,0 | ||
| 75 | 270 | 18,73 | 13748 | 2,2 | ||
| 84 | 240 | 16,62 | 14226 | 2,4 | ||
| 100 | 203 | 14,06 | 14814 | 2,6 | ||
| 116 | 174 | 12,03 | 15256 | 2,8 | ||
| 135 | 151 | 10,38 | 15585 | 3,1 | ||
| 148 | 137 | 9,45 | 15773 | 3,2 | ||
| 171 | 119 | 8,19 | 15797 | 3,5 |

Вернуться к выбору мощностей
Мотор редуктор DR282 и DR283 можно использовать как технический аналог мотор редукторов F312 и F313 , F 312 и F 31 3 , F3 1 2 и F31 3 (выпускаемых Bonfiglioli /Италия).
Если вы хотите купить цилиндрический редуктор DR282 и DR283 , вы можете:
Позвонить:
Российская Федерация
+7 (495) 369-04-89
+7 (910) 726-725-4 (МТС) Смоленск
info@tech-privod.com
Республика Беларусь
+375 17 272-04-08 (т/ф) Минск
+375 29 61-787-61 (A1) Минск
+7 (495) 369-04-89
+7 (910) 726-725-4 (МТС) Смоленск
info@tech-privod.com
Республика Беларусь
+375 17 272-04-08 (т/ф) Минск
+375 29 61-787-61 (A1) Минск
