Цилиндрический редуктор DR473    15 об/мин ... 40 об/мин
 15 об/мин ... 40 об/мин
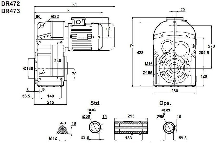
 Редукторный узел, который состоит из подключенного обще промышленного электродвигателя номинальной мощностью 2,2 кВт, жестко привязанному к цилиндрической редукторной части DR473-100L/4.
   Редукторный узел, который состоит из подключенного обще промышленного электродвигателя номинальной мощностью 2,2 кВт, жестко привязанному к цилиндрической редукторной части DR473-100L/4.Выходной вал расположен в паралельной форме относительно быстроходного.
Редуктор может располагаться в любом из пространственных расположений: М1 , М2 , М3 , М4 , М5 , М6 .
Трансмиссия может иметь навесное крепление , торцевое, надсадное с реактивным кронштейном и т.д.
Гарантия - 2 года.
Условное обозначение
Каталог D-series
| Обороты на выходном валу | Крутящий момент на выходном валу | Передаточное число | Радиальные нагрузки на выходной вал | Сервис фактор | Тип редуктора | Масса | 
| n2 (об/мин-1) | M2 (Нм) | i | Fr (Н) | fs | m (кг) | |
| 10 | 1956 | 138,35 | 9675 | 0,8 | DR473-100L/4 | 116 | 
| 12 | 1720 | 121,49 | 14465 | 0,9 | ||
| 14 | 1439 | 101,48 | 18328 | 1,1 | ||
| 15 | 1360 | 95,87 | 19217 | 1,1 | ||
| 17 | 1149 | 81,00 | 21316 | 1,3 | ||
| 20 | 1003 | 70,59 | 22981 | 1,5 | ||
| 23 | 880 | 61,85 | 24323 | 1,6 | ||
| 26 | 774 | 54,35 | 25212 | 1,8 | ||
| 30 | 675 | 47,37 | 26143 | 2,0 | ||
| 34 | 592 | 41,50 | 26920 | 2,2 | ||
| 41 | 490 | 34,28 | 27782 | 2,5 | 

Вернуться к выбору мощностей
Мотор-редуктор DR473 - является полным аналогом мотор-редуктор TNC43 / производства Tos-Znojmo , Чехия ; как технический аналог мотор-редуктор можно рассматривать к моделям MPD100 и MPD100/3 / производства Siti , Италия ; S103 / производства Motovario , Италия ; SK4382 /производства Nord , Германия ; F513 / производства Bonfiglioli , Италия , ZF125B и ZF125C / производства Tramec , Италия .
Редуктор DT473 является аналогом редукторов PL100- , PL100/3 производства Siti / Италия ; ZA125B , ZA125C производства Tramec / Италия.
Если вы хотите купить цилиндрический редуктор DR473   , вы можете:
 Позвонить: 
Российская Федерация
+7 (495) 369-04-89
+7 (910) 726-725-4 (МТС) Смоленск
info@tech-privod.com
Республика Беларусь
+375 17 272-04-08 (т/ф) Минск
+375 29 61-787-61 (A1) Минск
+7 (495) 369-04-89
+7 (910) 726-725-4 (МТС) Смоленск
info@tech-privod.com
Республика Беларусь
+375 17 272-04-08 (т/ф) Минск
+375 29 61-787-61 (A1) Минск

 
 
 
 
 
 
 
 
 
