Цилиндрический редуктор DR773 4,0 об/мин ... 9,0 об/мин
4,0 об/мин ... 9,0 об/мин
Для получения от энергетической установки эквивалентной мощности в 2,2 кВт ( а это асинхронный или синхронный электромотор переменного тока , двигатель постоянного тока , гидро мотор, ВОМ авто техники или другое) вращательно-крутящего момента в пределах 2200 Nm - 4800 Nm используют цилиндрический мотор-редуктор с параллельным валом DR773-112M/6 и DR773-100L/4a.Эффективен для выбора скоростных характеристик выходного вала в диапазоне от 4,1 об/мин до 8,8 об/мин.
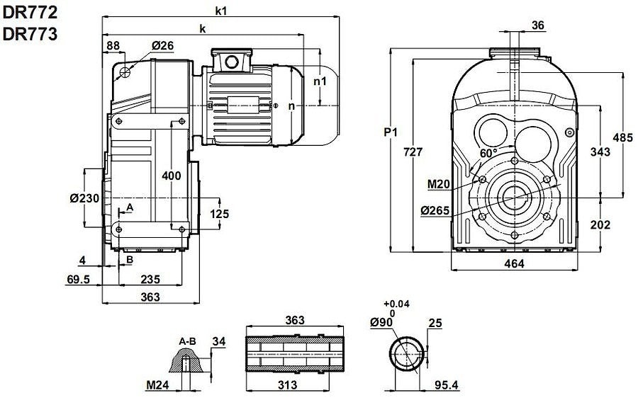
Различные пространственные расположения редукторной части: М1 , М2 , М3 , М4 , М5 , М6.
Условное обозначение
Каталог D-series
| Обороты на выходном валу | Крутящий момент на выходном валу | Передаточное число | Радиальные нагрузки на выходной вал | Сервис фактор | Тип редуктора | Масса |
| n2 (об/мин-1) | M2 (Нм) | i | Fr (Н) | fs | m (кг) | |
| 4,1 | 4865 | 222,16 | 73128 | 1,6 | DR773-112M/6 | 297 |
| 4,7 | 4170 | 190,20 | 76022 | 1,9 | ||
| 5,7 | 3471 | 158,23 | 78665 | 2,3 | ||
| 6,3 | 3125 | 222,16 | 79933 | 2,6 | DR773-100L/4a | 290 |
| 7,4 | 2678 | 190,20 | 81329 | 3,0 | ||
| 8,8 | 2227 | 158,23 | 82854 | 3,6 |

Вернуться к выбору мощностей
Мотор-редуктор DR773 - как технический аналог мотор-редуктор можно рассматривать относительно к моделям MPD160 и MPD160/3/ производства Siti, Италия; SK7382 /производства Nord , Германия; F803 / производства Bonfiglioli, Италия, ZF200B и ZF200C / производства Tramec , Италия .
Редуктор DT773 является аналогом редукторов PD160-, PD160/3- производства Siti / Италия; ZA200B, ZA200C производства Tramec/ Италия .
Если вы хотите купить цилиндрический редуктор DR773 , вы можете:
Позвонить:
Российская Федерация
+7 (495) 369-04-89
+7 (910) 726-725-4 (МТС) Смоленск
info@tech-privod.com
Республика Беларусь
+375 17 272-04-08 (т/ф) Минск
+375 29 61-787-61 (A1) Минск
+7 (495) 369-04-89
+7 (910) 726-725-4 (МТС) Смоленск
info@tech-privod.com
Республика Беларусь
+375 17 272-04-08 (т/ф) Минск
+375 29 61-787-61 (A1) Минск
