Цилиндрический редуктор DR573 7,0 об/мин ... 20 об/мин
7,0 об/мин ... 20 об/мин
Мотор редуктор DR573-100L/4 и DR573-112M/6 - зубчатая трехступенчатая трансмиссия с расчетной подводимой мощностью - 2,2 kw, (как правило в качестве энергетического привода используется асинхронный электродвигатель - 2,2kw/2800 , 2,2kw/1400 , 2,2kw/900 , 2,2kw/700).Передаваемые моменты: 1000Nm - 3000Nm.
Трансмиссионный делитель: 1/60 , 1/70 , 1/ 80 , 1/90 , 1/ 100 , 1/125 , 1/ 150 , 1/170 , 1/ 190 , 1/ 210 .
Гарантия - 2 года.
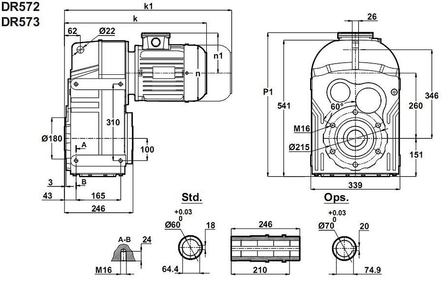
Условное обозначение
Каталог D-series
| Обороты на выходном валу | Крутящий момент на выходном валу | Передаточное число | Радиальные нагрузки на выходной вал | Сервис фактор | Тип редуктора | Масса |
| n2 (об/мин-1) | M2 (Нм) | i | Fr (Н) | fs | m (кг) | |
| 5,3 | 3693 | 168,60 | 7171 | 0,8 | DR573-112M/6 | 174 |
| 6,0 | 3270 | 149,15 | 18089 | 0,9 | ||
| 6,7 | 2960 | 209,81 | 22718 | 1,0 | DR573-100L/4 | 167 |
| 7,3 | 2717 | 192,62 | 25663 | 1,1 | ||
| 8,3 | 2382 | 168,60 | 29061 | 1,3 | ||
| 9,4 | 2109 | 149,15 | 31379 | 1,4 | ||
| 11 | 1786 | 126,06 | 33882 | 1,7 | ||
| 14 | 1465 | 103,39 | 35955 | 2,0 | ||
| 15 | 1295 | 91,30 | 37032 | 2,3 | ||
| 17 | 1153 | 81,15 | 37838 | 2,6 | ||
| 20 | 976 | 68,64 | 38772 | 3,1 | ||
| 23 | 870 | 61,12 | 39303 | 3,4 |

Вернуться к выбору мощностей
Мотор-редуктор DR573 - является полным аналогом мотор-редуктор TNC53 / производства Tos-Znojmo , Чехия ; как технический аналог мотор-редуктор можно рассматривать относительно к моделям MPD125 и MPD125/3 , MPL125 и MPL125/3 / производства Siti , Италия ; S123 / производства Motovario , Италия ;SK5382 /производства Nord , Германия ; F602 и F603 / производства Bonfiglioli , Италия , ZF160B и ZF160C / производства Tramec , Италия .
Редуктор DT573 является аналогом редукторов PD125- , PD125/3 производства Siti / Италия ; ZA160B , ZA160C производства Tramec / Италия .
Если вы хотите купить цилиндрический редуктор DR573 , вы можете:
Позвонить:
Российская Федерация
+7 (495) 369-04-89
+7 (910) 726-725-4 (МТС) Смоленск
info@tech-privod.com
Республика Беларусь
+375 17 272-04-08 (т/ф) Минск
+375 29 61-787-61 (A1) Минск
+7 (495) 369-04-89
+7 (910) 726-725-4 (МТС) Смоленск
info@tech-privod.com
Республика Беларусь
+375 17 272-04-08 (т/ф) Минск
+375 29 61-787-61 (A1) Минск
