Цилиндрический редуктор DR974 1,5 об/мин ... 4,0 об/мин
1,5 об/мин ... 4,0 об/мин
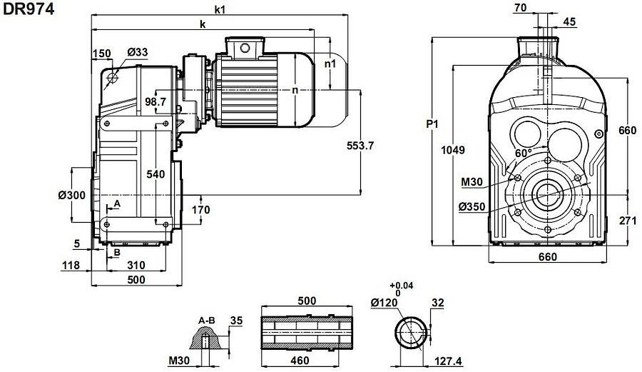
Цилиндрическая редукторная часть с параллельным выходным валом DR974-100L/4a и DR974-112М/6 в сборе с электромашиной номинальной мощностью 2,2 кВт (2,2/3000 , 2,2/1500 , 2,2/1000 , 2,2/750) - мощнейший четырех ступенчатый мотор-редуктор, достигаемый крутящий момент на выходе: 5000 нм - 11000 нм, при этом выходные обороты достигают пределов: 1,7 - 3,8 оборотов в минуту.Достигаемые радиально-аксиальные нагрузки - 22 000Н.
Ряд эксплуатационных преимуществ, пространственных размещении и крепежных исполнении.
Гарантия - 2 года.
Условное обозначение
Каталог D-series
| Обороты на выходном валу | Крутящий момент на выходном валу | Передаточное число | Радиальные нагрузки на выходной вал | Сервис фактор | Тип редуктора | Масса |
| n2 (об/мин-1) | M2 (Нм) | i | Fr (Н) | fs | m (кг) | |
| 1,7 | 11249 | 523,19 | 217887 | 1,6 | DR974-112М/6 | 800 |
| 2,2 | 8940 | 415,16 | 222686 | 2,0 | ||
| 2,4 | 8006 | 371,15 | 224507 | 2,2 | ||
| 2,7 | 7232 | 523,19 | 225965 | 2,5 | DR974-100L/4a | 791 |
| 3,4 | 5747 | 415,16 | 228573 | 3,1 | ||
| 3,8 | 5147 | 371,15 | 229580 | 3,5 |

Вернуться к выбору мощностей
Мотор редуктор DR974 можно использовать как технический аналог к мотор редуктору SK9382 / 42 и SK9382 / 52 / выпускаемых NORD , Германия ; мотор-редуктору F904 / производства Bonfiglioli , Италия.
Если вы хотите купить цилиндрический редуктор DR974 , вы можете:
Позвонить:
Российская Федерация
+7 (495) 369-04-89
+7 (910) 726-725-4 (МТС) Смоленск
info@tech-privod.com
Республика Беларусь
+375 17 272-04-08 (т/ф) Минск
+375 29 61-787-61 (A1) Минск
+7 (495) 369-04-89
+7 (910) 726-725-4 (МТС) Смоленск
info@tech-privod.com
Республика Беларусь
+375 17 272-04-08 (т/ф) Минск
+375 29 61-787-61 (A1) Минск
