Цилиндрический редуктор DR172 и DR173 30 об/мин ... 580 об/мин
30 об/мин ... 580 об/мин
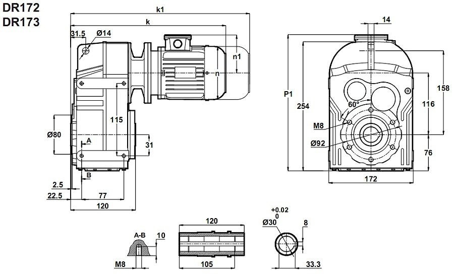
Небольшой цилиндрический редуктор с параллельным валом выпускается под маркировками DR172-71/2b , DR172-80/4a, DR173-80/4a: компактный, универсальный трансмиссионный узел с рядом шестереночных ступеней, заключенных в моноблочном чугунном корпусе.Крутящие передаваемые моменты: 60Нм - 180Нм, при подводимой мощности - 0,55кВт.
Выходная скорость оборотов выходного вала: 19 об/мин - 576 об/мин.
Допустимые радиальные нагрузки: 5200Н.
Условное обозначение
Каталог D-series
| Обороты на выходном валу | Крутящий момент на выходном валу | Передаточное число | Радиальные нагрузки на выходной вал | Сервис фактор | Тип редуктора | Масса |
| n2 (об/мин-1) | M2 (Нм) | i | Fr (Н) | fs | m (кг) | |
| 19 | 253 | 72,04 | 4161 | 0,8 | DR173-80/4a | 23 |
| 23 | 212 | 60,16 | 5246 | 0,9 | ||
| 27 | 183 | 51,88 | 5362 | 1,1 | ||
| 29 | 168 | 47,81 | 5284 | 1,2 | ||
| 31 | 157 | 44,66 | 5216 | 1,3 | ||
| 37 | 133 | 37,75 | 5039 | 1,5 | ||
| 44 | 111 | 31,52 | 4842 | 1,8 | ||
| 52 | 96 | 27,18 | 4675 | 2,1 | ||
| 64 | 78 | 21,79 | 4424 | 2,6 | DR172-80/4a | 20 |
| 74 | 68 | 19,04 | 4271 | 2,9 | ||
| 78 | 64 | 17,86 | 4199 | 3,1 | ||
| 92 | 54 | 15,18 | 4018 | 3,7 | ||
| 106 | 47 | 13,19 | 3863 | 4,2 | ||
| 121 | 41 | 11,54 | 3719 | 4,8 | ||
| 147 | 34 | 9,54 | 3520 | 5,8 | ||
| 181 | 28 | 7,74 | 3292 | 6,5 | ||
| 208 | 24 | 6,72 | 3157 | 7,0 | ||
| 238 | 21 | 5,88 | 3033 | 7,6 | ||
| 288 | 17 | 4,86 | 2863 | 8,3 | ||
| 362 | 14 | 7,74 | 2669 | 10,5 | DR172-71/2b | 18 |
| 417 | 12 | 6,72 | 2554 | 11,2 | ||
| 476 | 11 | 5,88 | 2450 | 12,4 | ||
| 576 | 9 | 4,86 | 2308 | 13,2 |

Вернуться к выбору мощностей
Мотор-редуктор DR172 и DR173 - является полным аналогом мотор-редукторов TNC12 и TNC13 , TNC 12 и TNC 13 , TN C12 и TN C 13 (производства Tos-Znojmo / Чехия) ; как технический аналог мотор-редуктор можно рассматривать маркам м/редукторов MPL63 и MPL63/3 , MPL 63 и MPL 63 3 , M PL 63 и M PL63 3 (производства Siti /Италия) ; моторредукторов S052 и S053 , S 052 и S 05 3 , S 05 2 и S 053 (производства Motovario /Италия) ; редукторов SK1282 и SK1382NB , SK 1282 и SK 1382NB , S K 12 82 и SK 1382 NB (производства Nord /Германия) ; мотор-редукторов F202 и F203 , F 20 2 и F 20 3 , F20 2 и F20 3 (производства Bonfiglioli /Италия). Редуктор DT172 и DT173 является аналогом редукторов PL63 , PL63/3 , PL 63 , PL 63 3 , P L 63 , PL 63-3 (прои зводства Siti /Италия).
Если вы хотите купить цилиндрический редуктор DR172 и DR173 , вы можете:
Позвонить:
Российская Федерация
+7 (495) 369-04-89
+7 (910) 726-725-4 (МТС) Смоленск
info@tech-privod.com
Республика Беларусь
+375 17 272-04-08 (т/ф) Минск
+375 29 61-787-61 (A1) Минск
+7 (495) 369-04-89
+7 (910) 726-725-4 (МТС) Смоленск
info@tech-privod.com
Республика Беларусь
+375 17 272-04-08 (т/ф) Минск
+375 29 61-787-61 (A1) Минск
