Цилиндрический редуктор DR273 15 об/мин ... 50 об/мин
15 об/мин ... 50 об/мин
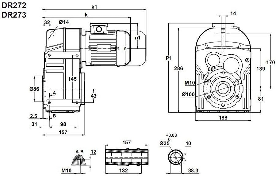
Цилиндрический мотор-редуктор DR273-80/4a .Мощность 0,55кВт (0,55/3000, 0,55/1500 , 0,55/1000 , 0,55/750)
Однофазное и трехфазное напряжение переменного тока: 220V , 380V.
Потребляемые токи: 5A; Степень защиты: IP54, IP55, IP65.
Передаваемые вращающие моменты: 130Nm - 400Nm.
Обороты на выходе: 10 об/мин ... 46 об/мин.
Крепежное исполнения привода: полой втулкой, цельным валом, фланцем, реактивная штанга и др.
Редуктор в заводских условиях заправляется маслом. Для обеспечения эксплуатационной гибкости привода - есть сливные, мерные и заливные горловины для смены смазки.
Условное обозначение
Каталог D-series
| Обороты на выходном валу | Крутящий момент на выходном валу | Передаточное число | Радиальные нагрузки на выходной вал | Сервис фактор | Тип редуктора | Масса |
| n2 (об/мин-1) | M2 (Нм) | i | Fr (Н) | fs | m (кг) | |
| 10 | 484 | 137,94 | 11457 | 0,9 | DR273-80/4a | 29 |
| 12 | 423 | 120,49 | 12364 | 1,1 | ||
| 13 | 397 | 113,02 | 12722 | 1,1 | ||
| 15 | 337 | 96,09 | 13466 | 1,3 | ||
| 17 | 293 | 83,46 | 13959 | 1,5 | ||
| 19 | 257 | 73,03 | 14334 | 1,8 | ||
| 23 | 213 | 60,39 | 14751 | 2,1 | ||
| 28 | 178 | 50,36 | 15056 | 2,5 | ||
| 33 | 149 | 42,22 | 15288 | 3,0 | ||
| 38 | 129 | 36,38 | 15428 | 3,5 | ||
| 46 | 107 | 30,34 | 15591 | 4,2 |

Вернуться к выбору мощностей
Мотор-редуктор DR272 и DR273 - является полным аналогом мотор-редукторов TNC22 и TNC23 , TNC 22 и T NC 23 , TNC 2 2 и TN C 2 3 (производства Tos-Znojmo/Чехия ); можно рассматривать как технический аналог мотор-редукторов маркам MPL80 и MPL80/3 , MPD63 и MPD60/3 , MPL 80 и M PL 80 3 , MPD 63 и M PD60 3 , M PL80 и M PL 80 3 , M PD63 и MP D 63 3 (производства Siti/Италия); м/редукторов S062 и S063 , S 062 и S 063 , S 06 2 и S 06 3 (производства Motovario/Италия); SK2282 и SK2382 , SK 2282 и SK 23 82 , S K 2282 и SK 2382 (производства Nord/Германия); моторедуктор F252 и F253 , F 252 и F 25 3 , F 25 2 и F2 53 (производства Bonfiglioli/Италия).
Редуктор DT272 и DT273 является аналогом редукторов PL80- , PL80/3 , PD63- , PD63/3 , PL 80 , PL 80 3 , PD 63 , PD 63.3 , P L 80 , P L80 3 , P D 63 , P D 63 3 (производства Siti / Италия), редукторов ZA80B , ZA80C , ZA 80B , ZA 80 C , Z A 80B , ZA 80C (производства Tramec / Италия).
Если вы хотите купить цилиндрический редуктор DR273 , вы можете:
Позвонить:
Российская Федерация
+7 (495) 369-04-89
+7 (910) 726-725-4 (МТС) Смоленск
info@tech-privod.com
Республика Беларусь
+375 17 272-04-08 (т/ф) Минск
+375 29 61-787-61 (A1) Минск
+7 (495) 369-04-89
+7 (910) 726-725-4 (МТС) Смоленск
info@tech-privod.com
Республика Беларусь
+375 17 272-04-08 (т/ф) Минск
+375 29 61-787-61 (A1) Минск
