Цилиндрический редуктор DR283 8,0 об/мин ... 30 об/мин
8,0 об/мин ... 30 об/мин
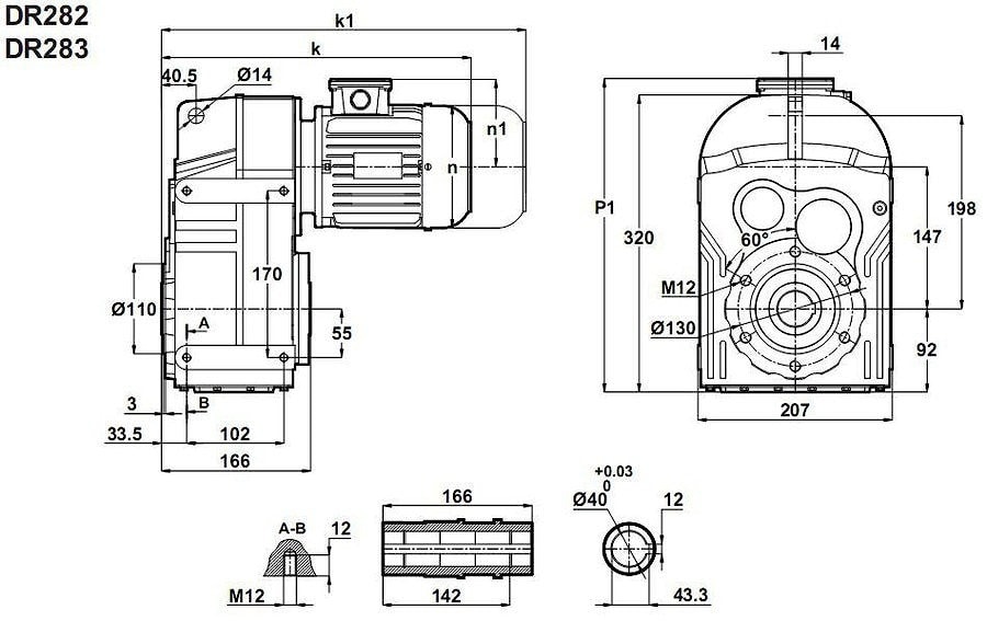
Механическое устройство для передачи крутящих усилий к исполнительным узлам - многоцелевой цилиндрический трехступенчатый мотор-редуктор с параллельным валом DR283-80/4a и DR283-80/6b с электромотором номинальной мощностью 550Вт (500W), в однофазной и трехфазной вариации 220В/380В (220V/380V) - 0.55KW/3000 , 0,55KW/1500 , 0.55KW/1000 , 0.55KW/750 . Мощная, надежная редукторная часть предлагает следующие передаточные числа: i=50 , i= 60 , i= 75, i= 85, i= 95, i= 110 , i= 120 , i= 135.Моменты: 200Н*м - 600 Н*м.
Условное обозначение
Каталог D-series
| Обороты на выходном валу | Крутящий момент на выходном валу | Передаточное число | Радиальные нагрузки на выходной вал | Сервис фактор | Тип редуктора | Масса |
| n2 (об/мин-1) | M2 (Нм) | i | Fr (Н) | fs | m (кг) | |
| 6,6 | 739 | 135,52 | 5802 | 0,8 | DR283-80/6b | 72 |
| 7,6 | 651 | 119,16 | 8217 | 0,9 | ||
| 8,0 | 613 | 112,15 | 9017 | 1,0 | ||
| 9,4 | 524 | 95,92 | 10576 | 1,1 | ||
| 10 | 476 | 135,52 | 11271 | 1,3 | DR283-80/4a | 35 |
| 12 | 419 | 119,16 | 12042 | 1,4 | ||
| 13 | 395 | 112,15 | 12340 | 1,5 | ||
| 15 | 338 | 95,92 | 12982 | 1,8 | ||
| 17 | 296 | 84,12 | 13404 | 2,0 | ||
| 19 | 262 | 74,36 | 13730 | 2,3 | ||
| 22 | 221 | 62,55 | 14099 | 2,7 | ||
| 26 | 188 | 53,18 | 14372 | 3,2 |

Вернуться к выбору мощностей
Мотор редуктор DR283 можно использовать как технический аналог мотор редукторов F313, F 31 3, F31 3 (выпускаемых Bonfiglioli /Италия).
Если вы хотите купить цилиндрический редуктор DR283 , вы можете:
Позвонить:
Российская Федерация
+7 (495) 369-04-89
+7 (910) 726-725-4 (МТС) Смоленск
info@tech-privod.com
Республика Беларусь
+375 17 272-04-08 (т/ф) Минск
+375 29 61-787-61 (A1) Минск
+7 (495) 369-04-89
+7 (910) 726-725-4 (МТС) Смоленск
info@tech-privod.com
Республика Беларусь
+375 17 272-04-08 (т/ф) Минск
+375 29 61-787-61 (A1) Минск
