Цилиндрический редуктор DR574 2,0 об/мин ... 3,0 об/мин
2,0 об/мин ... 3,0 об/мин
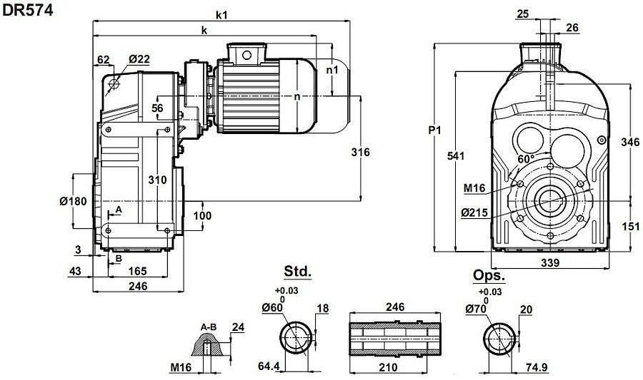
Четырехступенчатый общепромышленный универсальный мото редуктор DR574-80/4a и DR574-80/6b - изготавливается цилиндрический привод с параллельным выходным валом в сборе с электрической машиной N=0.55KW , крутящий передаваемый момент - 1800Н*м ~ 2700Н*м .Ряд передаточных чисел : i=500 , i=600 , i=720.
Предлагаются различные исполнения: с полым валом , с полнотелым валом, с выходным фланцем , с зажимным элементом, на входе для гашения излишних радиальных перегрузок применяется экструдерная приставка на входе.
Условное обозначение
Каталог D-series
| Обороты на выходном валу | Крутящий момент на выходном валу | Передаточное число | Радиальные нагрузки на выходной вал | Сервис фактор | Тип редуктора | Масса |
| n2 (об/мин-1) | M2 (Нм) | i | Fr (Н) | fs | m (кг) | |
| 1,5 | 3256 | 609,29 | 18275 | 0,9 | DR574-80/6b | 160 |
| 1,8 | 2670 | 499,72 | 26150 | 1,1 | ||
| 1,9 | 2473 | 720,91 | 28163 | 1,2 | DR574-80/4a | 160 |
| 2,3 | 2093 | 609,29 | 31481 | 1,4 | ||
| 2,8 | 1716 | 499,72 | 34337 | 1,7 |

Вернуться к выбору мощностей
Мотор редуктор DR574 можно использовать как технический аналог мотор редуктору SK5282 / 12 / выпускаемых NORD , Германия ; мотор-редуктору F604 / производства Bonfiglioli , Италия.
Если вы хотите купить цилиндрический редуктор DR574 , вы можете:
Позвонить:
Российская Федерация
+7 (495) 369-04-89
+7 (910) 726-725-4 (МТС) Смоленск
info@tech-privod.com
Республика Беларусь
+375 17 272-04-08 (т/ф) Минск
+375 29 61-787-61 (A1) Минск
+7 (495) 369-04-89
+7 (910) 726-725-4 (МТС) Смоленск
info@tech-privod.com
Республика Беларусь
+375 17 272-04-08 (т/ф) Минск
+375 29 61-787-61 (A1) Минск
