Цилиндрический редуктор DR473 4,0 об/мин ... 10 об/мин
4,0 об/мин ... 10 об/мин
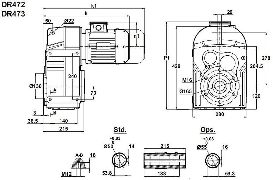
Редукторный механизм DR473-80/4a и DR473-80/6b предлагается в комплектации с двигательным узлом эквивалентной мощности в 500Вт ( наиболее выбираемая энерго установка - как однофазные, так и трехфазные асинхронный двигатели 0,55кВт*3000 , 0,55кВт*1500 , 0,55кВт*1000 , 0,55кВт*750 ) , вращающие передающие моменты : 500Н*м - 1300Н*м .Передаточные отношения : i=140 ... i=240.
Предельные радиальные ограничения на выходной вал устанавливается не уровне - 21000Н.
Условное обозначение
Каталог D-series
| Обороты на выходном валу | Крутящий момент на выходном валу | Передаточное число | Радиальные нагрузки на выходной вал | Сервис фактор | Тип редуктора | Масса |
| n2 (об/мин-1) | M2 (Нм) | i | Fr (Н) | fs | m (кг) | |
| 3,7 | 1322 | 242,68 | 19603 | 1,2 | DR473-80/6b | 111 |
| 4,2 | 1171 | 215,03 | 21098 | 1,3 | ||
| 5,1 | 954 | 174,97 | 22951 | 1,6 | ||
| 5,8 | 851 | 242,68 | 23736 | 1,8 | DR473-80/4a | 109 |
| 6,5 | 753 | 215,03 | 24421 | 2,1 | ||
| 8,0 | 614 | 174,97 | 25324 | 2,5 | ||
| 10 | 486 | 138,35 | 26081 | 3,2 |

Вернуться к выбору мощностей
Мотор-редуктор DR473 - является полным аналогом мотор-редуктор TNC43 / производства Tos-Znojmo , Чехия ; как технический аналог мотор-редуктор можно рассматривать к моделям MPD100 и MPD100/3 / производства Siti , Италия ; S103 / производства Motovario , Италия ; SK4382 /производства Nord , Германия ; F513 / производства Bonfiglioli , Италия , ZF125B и ZF125C / производства Tramec , Италия .
Редуктор DT473 является аналогом редукторов PL100- , PL100/3 производства Siti / Италия ; ZA125B , ZA125C производства Tramec / Италия.
Если вы хотите купить цилиндрический редуктор DR473 , вы можете:
Позвонить:
Российская Федерация
+7 (495) 369-04-89
+7 (910) 726-725-4 (МТС) Смоленск
info@tech-privod.com
Республика Беларусь
+375 17 272-04-08 (т/ф) Минск
+375 29 61-787-61 (A1) Минск
+7 (495) 369-04-89
+7 (910) 726-725-4 (МТС) Смоленск
info@tech-privod.com
Республика Беларусь
+375 17 272-04-08 (т/ф) Минск
+375 29 61-787-61 (A1) Минск
