Цилиндрический редуктор DR674 1,5 об/мин ... 4,0 об/мин
1,5 об/мин ... 4,0 об/мин
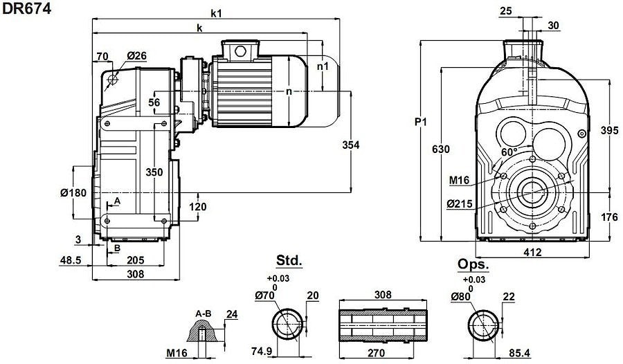
Приводная технология, в виде четырех ступенчатой цилиндрической приставкой с параллельными валами, маркируемая как DR674-80/4a и DR674-80/6b - электрический двигатель переменного тока, номинальной мощностью 0,55 кВт,и редуктор, достигающий на выходном валу вращающий крутящий момент - 1300Nm - 3600Nm, при низких скоростных диапазонах: 1,3 - 3,9 оборотов в минуту, с уровнем радиально-аксиальных нагрузок 40000Н.
Гарантия - 24 месяцев.
Условное обозначение
Каталог D-series
| Обороты на выходном валу | Крутящий момент на выходном валу | Передаточное число | Радиальные нагрузки на выходной вал | Сервис фактор | Тип редуктора | Масса |
| n2 (об/мин-1) | M2 (Нм) | i | Fr (Н) | fs | m (кг) | |
| 1,3 | 3606 | 675,51 | 35903 | 1,2 | DR674-80/6b | 223 |
| 1,5 | 3216 | 601,90 | 38830 | 1,3 | ||
| 1,8 | 2736 | 512,73 | 42045 | 1,6 | ||
| 2,1 | 2318 | 675,51 | 44464 | 1,9 | DR674-80/4a | 222 |
| 2,3 | 2067 | 601,90 | 45775 | 2,1 | ||
| 2,7 | 1759 | 512,73 | 47325 | 2,4 | ||
| 3,3 | 1459 | 424,33 | 48681 | 2,9 | ||
| 3,9 | 1249 | 362,91 | 49570 | 3,4 |

Вернуться к выбору мощностей
Мотор редуктор DR674 можно использовать как технический аналог мотор редуктору SK6382 / 22 / выпускаемых NORD , Германия ; мотор-редуктору F704 / производства Bonfiglioli , Италия.
Если вы хотите купить цилиндрический редуктор DR674 , вы можете:
Позвонить:
Российская Федерация
+7 (495) 369-04-89
+7 (910) 726-725-4 (МТС) Смоленск
info@tech-privod.com
Республика Беларусь
+375 17 272-04-08 (т/ф) Минск
+375 29 61-787-61 (A1) Минск
+7 (495) 369-04-89
+7 (910) 726-725-4 (МТС) Смоленск
info@tech-privod.com
Республика Беларусь
+375 17 272-04-08 (т/ф) Минск
+375 29 61-787-61 (A1) Минск
