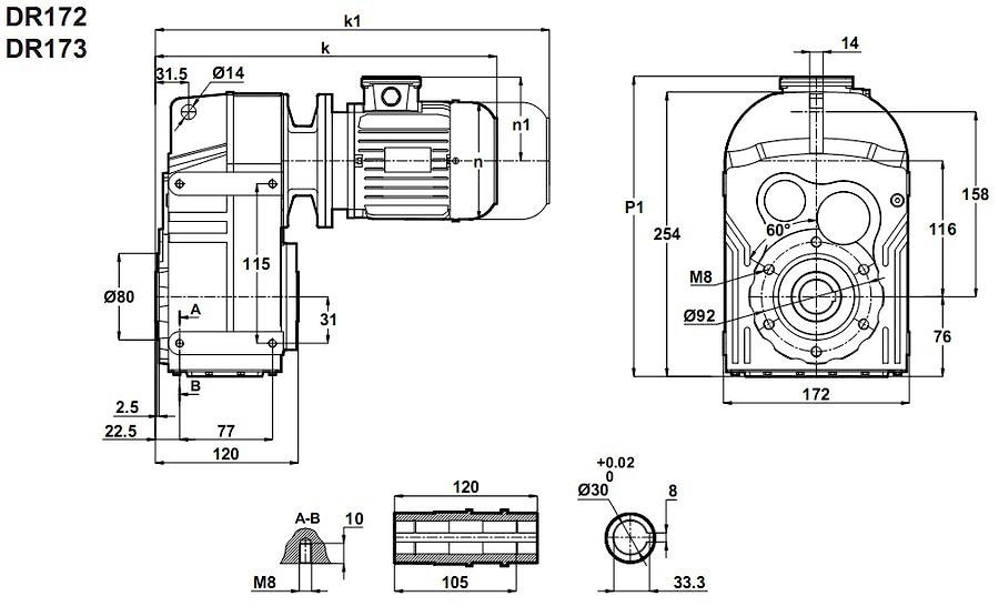
Цилиндрический редуктор DR172 и DR173 12 об/мин ... 580 об/мин
12 об/мин ... 580 об/мин
Для подводимой мощности 0,25кВт (среди асинхронных приводов - это модели 0,25кВт/3000 , 0,25кВт/1500 , 0,25кВт/1000 , 0,25кВт/750) выделяют цилиндрический моторредуктор с параллельными валами марок DR172-63/2b , DR172-71/4a , DR173-71/4a .Крутящие моменты : 5Nm ... 190Nm .
Рациональные выходные обороты : 10 об/мин ... 476 об/мин.
Допустимые радиально-аксиальные нагрузки на исполнительные валы - 3000N ... 6000N.
Гарантийные обязательства : 24 месяцев .
Условное обозначение
Каталог D-series
| Обороты на выходном валу | Крутящий момент на выходном валу | Передаточное число | Радиальные нагрузки на выходной вал | Сервис фактор | Тип редуктора | Масса |
| n2 (об/мин-1) | M2 (Нм) | i | Fr (Н) | fs | m (кг) | |
| 9,8 | 226 | 142,89 | 4825 | 0,9 | DR173-71/4a | 21 |
| 12 | 191 | 120,64 | 5619 | 1,0 | ||
| 14 | 164 | 103,34 | 6141 | 1,2 | ||
| 15 | 145 | 91,25 | 6456 | 1,4 | ||
| 16 | 136 | 85,23 | 6602 | 1,5 | ||
| 19 | 115 | 72,04 | 6584 | 1,7 | ||
| 23 | 96 | 60,16 | 6281 | 2,1 | ||
| 27 | 83 | 51,88 | 6035 | 2,4 | ||
| 29 | 76 | 47,81 | 5901 | 2,6 | ||
| 31 | 71 | 44,66 | 5790 | 2,8 | ||
| 37 | 60 | 37,75 | 5521 | 3,3 | ||
| 44 | 50 | 31,52 | 5240 | 4,0 | ||
| 47 | 48 | 29,67 | 5148 | 4,2 | DR172-71/4a | 16 |
| 55 | 41 | 25,24 | 4908 | 4,9 | ||
| 64 | 35 | 21,79 | 4696 | 5,7 | ||
| 74 | 31 | 19,04 | 4507 | 6,5 | ||
| 78 | 29 | 17,86 | 4420 | 6,9 | ||
| 92 | 25 | 15,18 | 4205 | 8,1 | ||
| 106 | 21 | 13,19 | 4025 | 9,4 | ||
| 121 | 19 | 11,54 | 3861 | 10,7 | ||
| 147 | 15 | 9,54 | 3637 | 12,9 | ||
| 181 | 13 | 7,74 | 3396 | 14,4 | ||
| 208 | 11 | 6,72 | 3247 | 15,6 | ||
| 238 | 10 | 5,88 | 3112 | 16,8 | ||
| 288 | 8 | 4,86 | 2928 | 18,5 | ||
| 362 | 6 | 7,74 | 2720 | 23,5 | DR172-63/2b | 15 |
| 417 | 5 | 6,72 | 2599 | 25,3 | ||
| 476 | 5 | 5,88 | 2489 | 27,9 | ||
| 576 | 4 | 4,86 | 2340 | 30,0 |

Вернуться к выбору мощностей
Мотор-редуктор DR172 и DR173 - является полным аналогом мотор-редукторов TNC12 и TNC13 , TNC 12 и TNC 13 , TN C12 и TN C 13 (производства Tos-Znojmo / Чехия) ; как технический аналог мотор-редуктор можно рассматривать маркам м/редукторов MPL63 и MPL63/3 , MPL 63 и MPL 63 3 , M PL 63 и M PL63 3 (производства Siti /Италия) ; моторредукторов S052 и S053 , S 052 и S 05 3 , S 05 2 и S 053 (производства Motovario /Италия) ; редукторов SK1282 и SK1382NB , SK 1282 и SK 1382NB , S K 12 82 и SK 1382 NB (производства Nord /Германия) ; мотор-редукторов F202 и F203 , F 20 2 и F 20 3 , F20 2 и F20 3 (производства Bonfiglioli /Италия).
Редуктор DT172 и DT173 является аналогом редукторов PL63 , PL63/3 , PL 63 , PL 63 3 , P L 63 , PL 63-3 (прои зводства Siti /Италия).
Если вы хотите купить цилиндрический редуктор DR172 и DR173 , вы можете:
Позвонить:
Российская Федерация
+7 (495) 369-04-89
+7 (910) 726-725-4 (МТС) Смоленск
info@tech-privod.com
Республика Беларусь
+375 17 272-04-08 (т/ф) Минск
+375 29 61-787-61 (A1) Минск
+7 (495) 369-04-89
+7 (910) 726-725-4 (МТС) Смоленск
info@tech-privod.com
Республика Беларусь
+375 17 272-04-08 (т/ф) Минск
+375 29 61-787-61 (A1) Минск
