Цилиндрический редуктор DR475 1,0 об/мин ... 1,5 об/мин
1,0 об/мин ... 1,5 об/мин
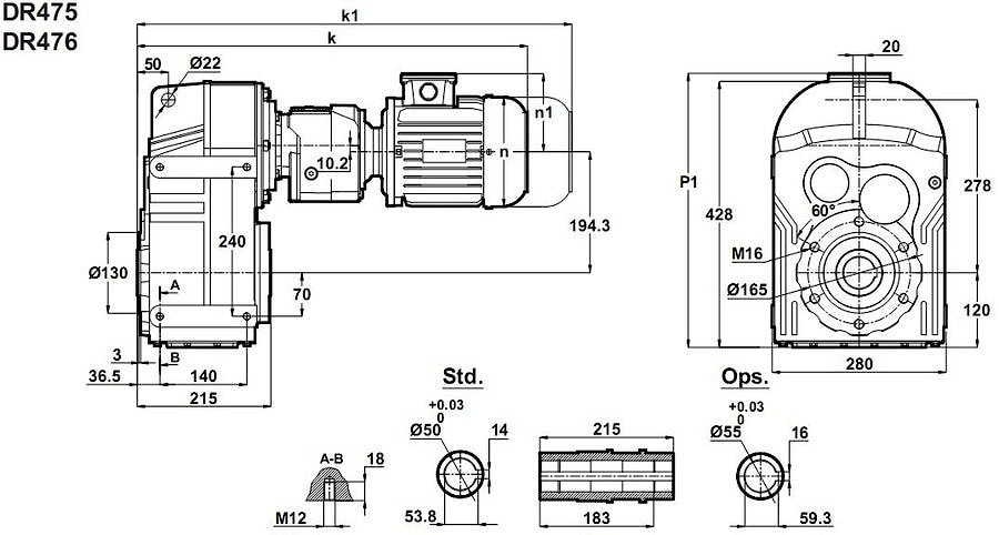
DR475-71/4a - цилиндрический многопрофильный промышленного назначения трансмиссионный узел, с паралельным выходным валом (исполнение вала: полый вал, полнотелый вал , выходной фланец, зажимная муфта, ограничитель крутящего момента, устройство backstop, крепеж реактивным рычагом, возможна комплектация экструдерной приставкой и др.).Мощность подводимого электропривода - 0,25кВт.
Выходные обороты: 1,2 и 1,3 оборота в минуту.
Вращающий момент: 1600Н*м.
Гарантия: 12 месяцев.
Условное обозначение
Каталог D-series
| Обороты на выходном валу | Крутящий момент на выходном валу | Передаточное число | Радиальные нагрузки на выходной вал | Сервис фактор | Тип редуктора | Масса |
| n2 (об/мин-1) | M2 (Нм) | i | Fr (Н) | fs | m (кг) | |
| 1,2 | 1680 | 1140,69 | 15064 | 0,9 | DR475-71/4a | 121 |
| 1,3 | 1571 | 1065,48 | 16652 | 1,0 |

Если вы хотите купить цилиндрический редуктор DR475 , вы можете:
Позвонить:
Российская Федерация
+7 (495) 369-04-89
+7 (910) 726-725-4 (МТС) Смоленск
info@tech-privod.com
Республика Беларусь
+375 17 272-04-08 (т/ф) Минск
+375 29 61-787-61 (A1) Минск
+7 (495) 369-04-89
+7 (910) 726-725-4 (МТС) Смоленск
info@tech-privod.com
Республика Беларусь
+375 17 272-04-08 (т/ф) Минск
+375 29 61-787-61 (A1) Минск
