Цилиндрический редуктор DR875 и DR876 0,2 об/мин ... 1,0 об/мин
0,2 об/мин ... 1,0 об/мин
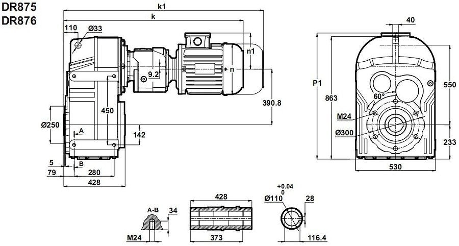
Передаточный агрегат DR875-71/4a и DR876-71/4a выпускается для проведения работ в сложных и агрессивных условиях, для достижения крутящего усилия на исполнительном валу в пределах 4300 Нм - 12300 Нм, в зависимости от выбранного передаточного делителя ( следующий ряд - 1 к 2350 , 1 к 2660 , 1 к 2970 , 1 к 3400 , 1 к 4000 , 1 к 4760 , 1 к 5300 , 1 к 5950 , 1 к 6700 , 1 к 7600 , 1 к 8600 , 1 к 9820 .Подводимая мощность - 0,25кВт.
Гарантийные обязательства - 24 месяца.
Условное обозначение
Каталог D-series
| Обороты на выходном валу | Крутящий момент на выходном валу | Передаточное число | Радиальные нагрузки на выходной вал | Сервис фактор | Тип редуктора | Масса |
| n2 (об/мин-1) | M2 (Нм) | i | Fr (Н) | fs | m (кг) | |
| 0,14 | 14019 | 9820,98 | 70765 | 0,9 | DR876-71/4a | 515 |
| 0,16 | 12314 | 8612,25 | 80265 | 1,1 | ||
| 0,18 | 10902 | 7613,73 | 87170 | 1,2 | ||
| 0,21 | 9597 | 6697,26 | 92727 | 1,4 | ||
| 0,24 | 8517 | 5940,18 | 96726 | 1,5 | ||
| 0,26 | 7610 | 5304,23 | 100033 | 1,7 | ||
| 0,29 | 6836 | 4762,49 | 102556 | 1,9 | ||
| 0,35 | 5761 | 4005,78 | 105786 | 2,3 | ||
| 0,41 | 4907 | 3405,63 | 108150 | 2,6 | ||
| 0,47 | 4364 | 2964,88 | 109563 | 3,0 | DR875-71/4a | 505 |
| 0,53 | 3918 | 2659,99 | 110677 | 3,3 | ||
| 0,59 | 3465 | 2356,74 | 111914 | 3,8 |

Если вы хотите купить цилиндрический редуктор DR875 и DR876 , вы можете:
Позвонить:
Российская Федерация
+7 (495) 369-04-89
+7 (910) 726-725-4 (МТС) Смоленск
info@tech-privod.com
Республика Беларусь
+375 17 272-04-08 (т/ф) Минск
+375 29 61-787-61 (A1) Минск
+7 (495) 369-04-89
+7 (910) 726-725-4 (МТС) Смоленск
info@tech-privod.com
Республика Беларусь
+375 17 272-04-08 (т/ф) Минск
+375 29 61-787-61 (A1) Минск
