Цилиндрический редуктор DR273 6,5 об/мин ... 20 об/мин
6,5 об/мин ... 20 об/мин
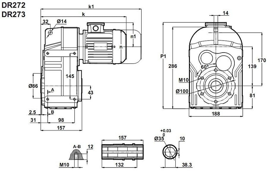
Цилиндрический привод с параллельными валами реализован в мотор-редукторе с маркировками DR273-71/4a и DR273-71/6b .Подводимая номинальная мощность, подаваемая на редуктор - двести пятьдесят ватт (200W) .
Передаваемые усилие на выходной вал - 100 Нм ... 350 Нм.
Крепежные исполнения : полая втулка (диаметр возможно изготовить под заказ), цельный вал, выходной фланец, зажимной диск, ограничитель крутящего момента, специальная экструдерная приставка (DRE) .
Передаточные числа : i=60 ... i=140 .
Условное обозначение
Каталог D-series
| Обороты на выходном валу | Крутящий момент на выходном валу | Передаточное число | Радиальные нагрузки на выходной вал | Сервис фактор | Тип редуктора | Масса |
| n2 (об/мин-1) | M2 (Нм) | i | Fr (Н) | fs | m (кг) | |
| 6,5 | 341 | 137,94 | 13426 | 1,3 | DR273-71/6b | 25 |
| 7,5 | 298 | 120,49 | 13909 | 1,5 | ||
| 8,0 | 279 | 113,02 | 14104 | 1,6 | ||
| 9,4 | 238 | 96,09 | 14520 | 1,9 | ||
| 10 | 219 | 137,94 | 14695 | 2,1 | DR273-71/4a | 24 |
| 12 | 192 | 120,49 | 14939 | 2,3 | ||
| 13 | 180 | 113,02 | 15039 | 2,5 | ||
| 15 | 153 | 96,09 | 15259 | 2,9 | ||
| 17 | 133 | 83,46 | 15412 | 3,4 | ||
| 19 | 116 | 73,03 | 15534 | 3,9 | ||
| 23 | 96 | 60,39 | 15673 | 4,7 |

Вернуться к выбору мощностей
Мотор-редуктор DR273 - является полным аналогом мотор-редукторов TNC23, T NC 23 и TN C 2 3 (производства Tos-Znojmo/Чехия ); можно рассматривать как технический аналог мотор-редукторов маркам MPL80 и MPL80/3 , MPD63 и MPD60/3 , MPL 80 и M PL 80 3 , MPD 63 и M PD60 3 , M PL80 и M PL 80 3 , M PD63 и MP D 63 3 (производства Siti/Италия); м/редукторов S063, S 063, S 06 3 (производства Motovario/Италия); SK2382, SK 23 82 ,SK 2382 (производства Nord/Германия); моторедуктор F253, F 25 3, F2 53 (производства Bonfiglioli/Италия).
Редуктор DT273 является аналогом редукторов PL80- , PL80/3 , PD63- , PD63/3 , PL 80 , PL 80 3 , PD 63 , PD 63.3 , P L 80 , P L80 3 , P D 63 , P D 63 3 (производства Siti / Италия), редукторов ZA80B , ZA80C , ZA 80B , ZA 80 C , Z A 80B , ZA 80C (производства Tramec / Италия).
Если вы хотите купить цилиндрический редуктор DR273 , вы можете:
Позвонить:
Российская Федерация
+7 (495) 369-04-89
+7 (910) 726-725-4 (МТС) Смоленск
info@tech-privod.com
Республика Беларусь
+375 17 272-04-08 (т/ф) Минск
+375 29 61-787-61 (A1) Минск
+7 (495) 369-04-89
+7 (910) 726-725-4 (МТС) Смоленск
info@tech-privod.com
Республика Беларусь
+375 17 272-04-08 (т/ф) Минск
+375 29 61-787-61 (A1) Минск
