Цилиндрический редуктор DR474 1,5 об/мин ... 3,0 об/мин
1,5 об/мин ... 3,0 об/мин
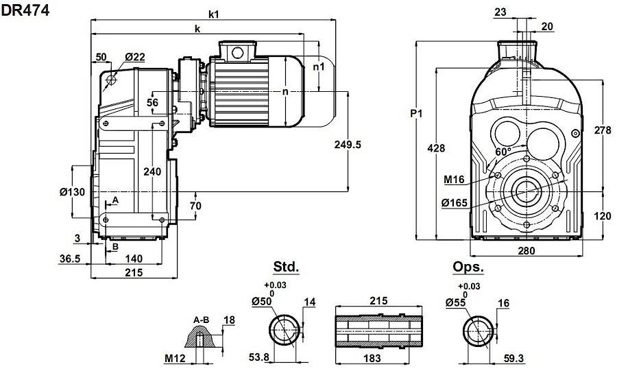
Цилиндрический редуктор с параллельными валами DR474-71/4a , DR474-71/6b ( в русскоязычной части интернета этот тип механических приводов промышленного назначения трактуют как : вертикальный цилиндрический привод, редуктор насадочного типа, торцевой привод , зубчатая передача с полой выходной втулкой и т.д.) - призван обеспечить передачу крутящего момента 700 Нм - 1300 Нм, от электропривода мощностью 250W , при обеспечении низких частот вращения конца выходного вала - 1,5 об/мин - 3,1 об/мин.Условное обозначение
Каталог D-series
| Обороты на выходном валу | Крутящий момент на выходном валу | Передаточное число | Радиальные нагрузки на выходной вал | Сервис фактор | Тип редуктора | Масса |
| n2 (об/мин-1) | M2 (Нм) | i | Fr (Н) | fs | m (кг) | |
| 1,5 | 1376 | 584,15 | 19019 | 1,1 | DR474-71/6b | 116 |
| 1,7 | 1231 | 522,66 | 20526 | 1,3 | ||
| 2,0 | 1082 | 458,98 | 21894 | 1,4 | ||
| 2,4 | 885 | 584,15 | 23484 | 1,8 | DR474-71/4a | 116 |
| 2,7 | 791 | 522,66 | 24159 | 2,0 | ||
| 3,1 | 696 | 458,98 | 24806 | 2,2 |

Вернуться к выбору мощностей
Мотор редуктор DR474 можно использовать как технический аналог мотор редуктору SK4282 / 12 / выпускаемых NORD , Германия ; мотор-редуктору F514 / производства Bonfiglioli , Италия.
Если вы хотите купить цилиндрический редуктор DR474 , вы можете:
Позвонить:
Российская Федерация
+7 (495) 369-04-89
+7 (910) 726-725-4 (МТС) Смоленск
info@tech-privod.com
Республика Беларусь
+375 17 272-04-08 (т/ф) Минск
+375 29 61-787-61 (A1) Минск
+7 (495) 369-04-89
+7 (910) 726-725-4 (МТС) Смоленск
info@tech-privod.com
Республика Беларусь
+375 17 272-04-08 (т/ф) Минск
+375 29 61-787-61 (A1) Минск
