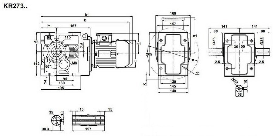
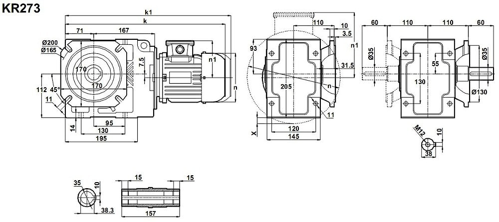
Конические редукторы KR273 100 об/мин... 400 об/мин
100 об/мин... 400 об/мин
С использованием конического обще промышленного моторредуктора KR273-112M/2 или KR273-112M/4 потребитель получает силовую редукторную установку, предназначенную для функционирования от асинхронного электродвигателя мощностью 4,0 кВт, пере направление плоскости доставки мощности. Крутящий момент на конце выходного вала: 100 - 600 Н*м.Трансмиссия считается высок оборотистой, ряд передаточных чисел: i= 6.94, i= 8,28, i= 9.92, i= 12,00, i= 13,34, i= 15,92, i=19,08, i= 23,08.
Условное обозначение
Каталог K-series
| Обороты на выходном валу | Крутящий момент на выходном валу | Передаточное число | Радиальные нагрузки на выходной вал | Сервис фактор | Тип редуктора | Масса |
| n2 (об/мин-1) | M2 (Нм) | i | Fr (Н) | fs | m (кг) | |
| 61 | 592 | 23,08 | 4310 | 0,7 | KR273-112M/4 | 56,5 |
| 73 | 489 | 19,08 | 4545 | 0,8 | ||
| 88 | 408 | 15,92 | 4674 | 0,9 | ||
| 105 | 342 | 13,34 | 4730 | 1,0 | ||
| 117 | 308 | 12,00 | 4365 | 0,8 | ||
| 141 | 255 | 9,92 | 4398 | 0,9 | ||
| 169 | 212 | 8,28 | 4379 | 1,1 | ||
| 202 | 178 | 6,94 | 4323 | 1,2 | ||
| 210 | 171 | 13,34 | 4730 | 1,8 | KR273-112M/2 | 55 |
| 233 | 154 | 12,00 | 4365 | 1,4 | ||
| 282 | 127 | 9,92 | 4398 | 1,7 | ||
| 338 | 106 | 8,28 | 4379 | 1,9 | ||
| 404 | 89 | 6,94 | 4323 | 2,1 |


Вернуться к выбору мощностей
Мотор-редуктор KR273 - является полным аналогом мотор-редуктора КТМ33 и МВН63 (производства Tos-Znoimo (Чешская Республика) и Siti (Италия) , анагогами ( с приближенными размерностями ) мотор-редукторов ТС90В , ТF90В (производитель -Tramec (Италия)) , мотор-редукторов А 35 2 и А 35 3 , А 30 2 и А 30 3 от Bonfiglioli (Италия), B063 , BA72 , BA73 (производства Motovario (Италия), техническими заменителями мотор-редукторов SK92772 , SK92772 VF , SK92772 AX , SK9012.1 , SK9012.1 VF , SK9012.1 AX , SK9016.1 , SK9016.1 VF , SK9016.1 AX(производства NORD (Германия)).
Редуктор КТ273 можно использовать как аналог редуктора ВН63 производства Siti (Италия), и аналог привода ТА90В , производимого Tramec (Италия)
Если вы хотите купить конические редукторы KR273 , вы можете:
Позвонить:
Российская Федерация
+7 (495) 369-04-89
+7 (910) 726-725-4 (МТС) Смоленск
info@tech-privod.com
Республика Беларусь
+375 17 272-04-08 (т/ф) Минск
+375 29 61-787-61 (A1) Минск
+7 (495) 369-04-89
+7 (910) 726-725-4 (МТС) Смоленск
info@tech-privod.com
Республика Беларусь
+375 17 272-04-08 (т/ф) Минск
+375 29 61-787-61 (A1) Минск
