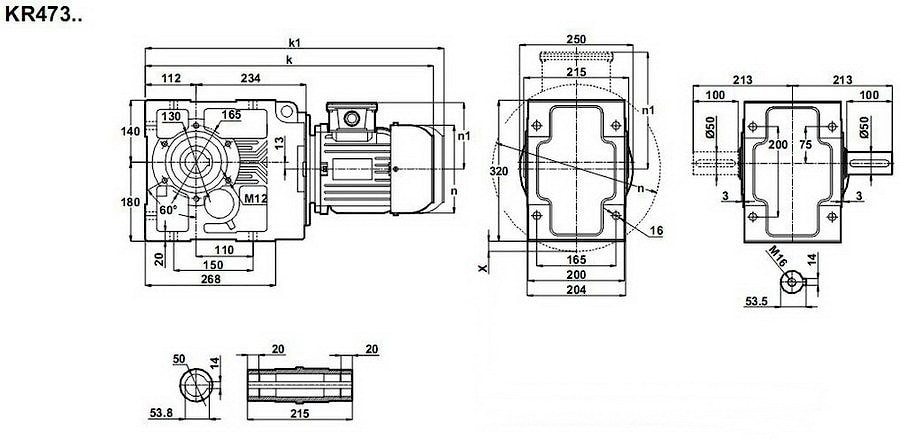
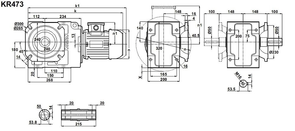
Конические редукторы KR473 20 об/мин… 80 об/мин
20 об/мин… 80 об/мин
Среди средне оборотистых конических промышленных трансмиссии следует выделить экономичный мотор-редуктор KR473-112M/4, работающий от электропривода 4кВт, и превращающий передающий крутящий момент на исполнительном валу в значения от 500 Н*м до 1600 Н*м.Наилучшем образом эксплуатационные характеристики предусмотрены для получения выходных оборотов в диапазоне 25 об/мин - 70 об/мин.
Гарантийные обязательства охватывают 24 месяца.
Условное обозначение
Каталог K-series
| Обороты на выходном валу | Крутящий момент на выходном валу | Передаточное число | Радиальные нагрузки на выходной вал | Сервис фактор | Тип редуктора | Масса |
| n2 (об/мин-1) | M2 (Нм) | i | Fr (Н) | fs | m (кг) | |
| 22 | 1751 | 64,17 | 13324 | 0,9 | KR473-112M/4 | 94 |
| 23 | 1654 | 60,63 | 14471 | 0,9 | ||
| 24 | 1615 | 59,19 | 14891 | 1,0 | ||
| 27 | 1398 | 51,22 | 16971 | 1,1 | ||
| 31 | 1218 | 44,64 | 18436 | 1,3 | ||
| 36 | 1067 | 39,11 | 19496 | 1,5 | ||
| 46 | 822 | 30,11 | 21026 | 1,9 | ||
| 56 | 686 | 25,15 | 21758 | 2,3 | ||
| 59 | 648 | 23,76 | 21955 | 2,4 | ||
| 60 | 633 | 23,19 | 22030 | 2,4 | ||
| 70 | 548 | 20,07 | 22731 | 2,7 | ||
| 80 | 477 | 17,49 | 22648 | 3,0 |


Вернуться к выбору мощностей
Мотор-редуктор KR473 - полный аналог мотор-редуктора B103 (от Motovario (Италия)) КТМ53 (Tos-Znojmo (Чехия) МВН100 (Siti (Италия) мотор-редукторов SK9032.1 , SK9032.1 VF , SK9032/1 AZ (NORD (Германия), можно рассматривать как технический аналог мотор-редукторов марок RMI150, RMI150FL , WMI150 (выпускаемых STM (Италия) , MRT150A , MRT150A-FT , MRT150-FF (производство Tos Znojmo (Чехия) , MI150 и MI150-F (произведенных Siti (Италия), MRS150 , MRT150 , SRS150 , SRT150 , 7МЧ-М-150 (производства Varvel (Италия)/Приводная техника (Россия)), мотор-редукторов VF150, А502 и А503 (Bonfiglioli (Италия)).
Редуктор КТ473 можно использовать как технический аналог редуктору КЦ1-250 (российского производства) , привода ВН100 ( произведенных под маркой Siti (Италия)).
Если вы хотите купить конические редукторы KR473 , вы можете:
Позвонить:
Российская Федерация
+7 (495) 369-04-89
+7 (910) 726-725-4 (МТС) Смоленск
info@tech-privod.com
Республика Беларусь
+375 17 272-04-08 (т/ф) Минск
+375 29 61-787-61 (A1) Минск
+7 (495) 369-04-89
+7 (910) 726-725-4 (МТС) Смоленск
info@tech-privod.com
Республика Беларусь
+375 17 272-04-08 (т/ф) Минск
+375 29 61-787-61 (A1) Минск
