Конические редукторы KR673 10 об/мин... 30 об/мин
10 об/мин... 30 об/мин
KR673-112M/4 - коническо-цилиндрический мотор-редуктор 6-ой серии, 7-ой модификации, трехступенчатый для использования с электродвигателем номинальной мощностью - 4,0 KW.Номинальные передаточные числа: i= 50, i= 60, i= 70, i= 80, i= 90, i= 100, i= 130.
Крутящий момент на выходном валу, в зависимости от передаточного отношения, изменяется от 1500 - 3500 Nm.
Прочный и надежный привод предназначается для потребления в долгосрочных проектах.
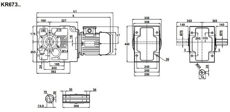
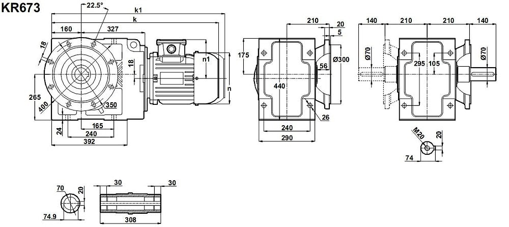
Условное обозначение
Каталог K-series
| Обороты на выходном валу | Крутящий момент на выходном валу | Передаточное число | Радиальные нагрузки на выходной вал | Сервис фактор | Тип редуктора | Масса |
| n2 (об/мин-1) | M2 (Нм) | i | Fr (Н) | fs | m (кг) | |
| 11 | 3499 | 128,24 | 39184 | 1,2 | KR673-112M/4 | 251 |
| 14 | 2753 | 100,90 | 43492 | 1,6 | ||
| 16 | 2461 | 90,21 | 44959 | 1,7 | ||
| 17 | 2193 | 80,38 | 46214 | 2,0 | ||
| 20 | 1868 | 68,47 | 47625 | 2,3 | ||
| 24 | 1606 | 58,86 | 48683 | 2,7 | ||
| 27 | 1394 | 51,08 | 49489 | 3,1 |


Вернуться к выбору мощностей
Мотор-редуктор KR673 - полный аналог мотор-редуктора B143 (от Motovario (Италия)) , МВН140 (Siti (Италия) мотор-редукторов SK9052.1 , SK9052.1 VF , SK9052.1 AZ (Nord (Германия), можно рассматривать как технический аналог мотор-редукторов марок ТС180В , TF180В (марки от Tramec (Италия)) VF210 , A703 (производства Bonfiglioli (Италия)).
Редуктор КТ673 можно рассматривать как аналогичный редуктору КЦ2-500 российского производства , редуктора ТА180В, ТС180В , ТF180В , производимого Tramec (Италия), аналог редуктора RT180A и RТ180A-FF производства Tos-Znojmo (Чехия), технический аналог редукторам ВН140, МВН140, произведенных под маркой Siti (Италия) и технический аналог редукторам КЦ1-300 , КЦ2-160Н производителя "Зарем"
Если вы хотите купить конические редукторы KR673 , вы можете:
Позвонить:
Российская Федерация
+7 (495) 369-04-89
+7 (910) 726-725-4 (МТС) Смоленск
info@tech-privod.com
Республика Беларусь
+375 17 272-04-08 (т/ф) Минск
+375 29 61-787-61 (A1) Минск
+7 (495) 369-04-89
+7 (910) 726-725-4 (МТС) Смоленск
info@tech-privod.com
Республика Беларусь
+375 17 272-04-08 (т/ф) Минск
+375 29 61-787-61 (A1) Минск
