Конические редукторы KR373 30 об/мин… 135 об/мин
30 об/мин… 135 об/мин
Среди конических передач следует выделить мотор-редукторKR373-112M/4, подводимая мощность, которого составляет - 4,0 кВт, достигаемые выходные скоростные параметры приводного вала: 40 об/мин - 132 об/мин.
Энергия высокой угловой скорости входной вала четырех полюсного электродвигателя переменного тока преобразуется в постоянный вращающий момент на выходе 300 - 900 Nm.
Надежен в эксплуатации, экономичен, подготовлен к долгосрочной работы.
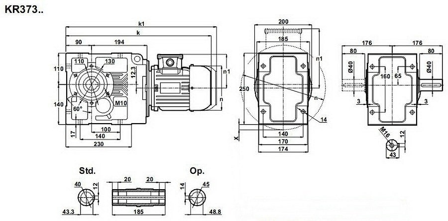
Условное обозначение
Каталог K-series
| Обороты на выходном валу | Крутящий момент на выходном валу | Передаточное число | Радиальные нагрузки на выходной вал | Сервис фактор | Тип редуктора | Масса |
| n2 (об/мин-1) | M2 (Нм) | i | Fr (Н) | fs | m (кг) | |
| 32 | 1113 | 43,40 | 4516 | 0,7 | KR373-112M/4 | 76 |
| 38 | 954 | 37,19 | 8319 | 0,9 | ||
| 42 | 863 | 33,65 | 9820 | 0,9 | ||
| 49 | 740 | 28,85 | 11366 | 1,1 | ||
| 57 | 634 | 24,72 | 12463 | 1,3 | ||
| 64 | 562 | 21,90 | 13155 | 1,5 | ||
| 75 | 478 | 18,62 | 13841 | 1,7 | ||
| 88 | 409 | 15,96 | 14374 | 2,0 | ||
| 97 | 370 | 14,44 | 14635 | 2,2 | ||
| 113 | 318 | 12,38 | 14994 | 2,6 | ||
| 132 | 272 | 10,60 | 15371 | 3,0 |


Вернуться к выбору мощностей
Мотор-редуктор KR373 - является полным аналогом мотор-редуктора КТМ43 и МВН80 (производства Tos-Znoimo (Чешская Республика) и Siti (Италия) , анагогами, с приближенными размерностями, мотор-редукторов ТС112В , ТF112В (производитель -Tramec (Италия)) , мотор-редукторов А 41 2 и А 41 3 от Bonfiglioli (Италия), тенхническими заменителями мотор-редукторов SK9022.1 , SK9022.1 , SK9022.1 AZ (производства NORD (Германия)), В083 (от Motovario).
Редуктор КТ373 можно использовать как аналогичный (приближенный к присоеденительным размерам) редуктору КЦ1-200 российского производства , привода ТА90В (производимого Tramec (Италия)), технический аналог редукторам ВН80 (произведенных под маркой Siti (Италия)).
Если вы хотите купить конические редукторы KR373 , вы можете:
Позвонить:
Российская Федерация
+7 (495) 369-04-89
+7 (910) 726-725-4 (МТС) Смоленск
info@tech-privod.com
Республика Беларусь
+375 17 272-04-08 (т/ф) Минск
+375 29 61-787-61 (A1) Минск
+7 (495) 369-04-89
+7 (910) 726-725-4 (МТС) Смоленск
info@tech-privod.com
Республика Беларусь
+375 17 272-04-08 (т/ф) Минск
+375 29 61-787-61 (A1) Минск
