Конические редукторы KR773    8,0 об/мин... 15 об/мин
 8,0 об/мин... 15 об/мин
 Тихоходный цилиндро-конический мотор-редуктор KR773-132M/6a - предлагается четырех киловаттный электродвигатель в шести полюсной конфигурации с коническим редукторным механизмом, рассчитанным для передачи силового момента 2500 - 4700 Н*м.
   Тихоходный цилиндро-конический мотор-редуктор KR773-132M/6a - предлагается четырех киловаттный электродвигатель в шести полюсной конфигурации с коническим редукторным механизмом, рассчитанным для передачи силового момента 2500 - 4700 Н*м.Набор передаточных соотношений i=60 ... i=110.
Предлагаются фланцевое исполнение, исполнение с цельным валом, исполнение с полым валом.
Надежный и экономичный промышленный привод с высокими параметрами эффективности.
Гарантийные обязательства - 24 месяцев.
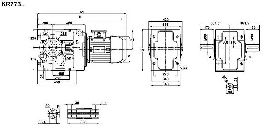
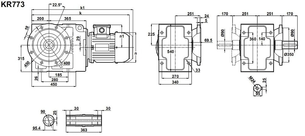
Условное обозначение
Каталог K-series
| Обороты на выходном валу | Крутящий момент на выходном валу | Передаточное число | Радиальные нагрузки на выходной вал | Сервис фактор | Тип редуктора | Масса | 
| n2 (об/мин-1) | M2 (Нм) | i | Fr (Н) | fs | m (кг) | |
| 8,1 | 4738 | 111,63 | 81109 | 1,7 | KR773-132M/6a | 418 | 
| 9,1 | 4202 | 99,00 | 82077 | 1,9 | ||
| 10 | 3759 | 88,57 | 79997 | 2,1 | ||
| 12 | 3251 | 76,59 | 77289 | 2,5 | ||
| 14 | 2815 | 66,32 | 74626 | 2,8 | ||
| 16 | 2462 | 58,00 | 72176 | 3,2 | 


Вернуться к выбору мощностей
Мотор-редуктор KR773 - полный аналог мотор-редуктора B153 (от Motovario (Италия)) , МВН160 (Siti (Италия) мотор-редукторов SK9062.1 , SK9062.1 VF , SK9062.1 AZ (Nord (Германия), можно рассматривать как технический аналог мотор-редукторов марок ТС225В , TF225В ТС200В , TF200В (марки от Tramec (Италия)) VF250 , A803 (производства Bonfiglioli (Италия)).
Редуктор КТ773 можно рассматривать как аналогичный редукторам КЦ1-400 , КЦ2-750 (российского производства), редуктора ТА200В, ТА225В (производимого Tramec (Италия)), технический аналог редукторам ВН160 (произведенных под маркой Siti (Италия)) и технический аналог редукторам КЦ2-200Н (производителя "Зарем").
Если вы хотите купить конические редукторы KR773   , вы можете:
 Позвонить: 
Российская Федерация
+7 (495) 369-04-89
+7 (910) 726-725-4 (МТС) Смоленск
info@tech-privod.com
Республика Беларусь
+375 17 272-04-08 (т/ф) Минск
+375 29 61-787-61 (A1) Минск
+7 (495) 369-04-89
+7 (910) 726-725-4 (МТС) Смоленск
info@tech-privod.com
Республика Беларусь
+375 17 272-04-08 (т/ф) Минск
+375 29 61-787-61 (A1) Минск

 
 
 
 
 
 
 
 
 
 
