Конические редукторы KR774 5,0 об/мин... 8,0 об/мин
5,0 об/мин... 8,0 об/мин
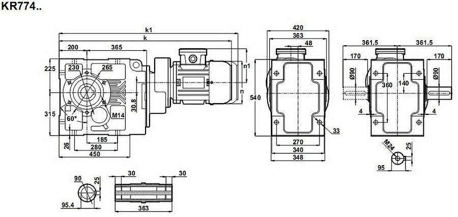
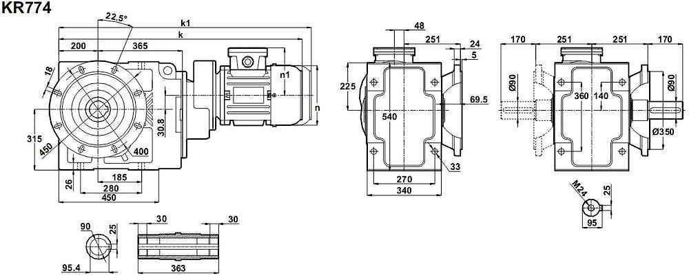
Конический передаточный силовой агрегат KR774-112M/4 - мощнейшее трансмиссионная зубчатая передача, выпускаемая для доведения крутящего момента 4500 Нм - 8000 Нм к приводимым механизмам и устройствам. Подводимый электромотор - 4,0 кВт.Скорость выходного вала - 3,5 ... 7,7 оборотов /минуту.
Надежная приводная машина, с огромным количеством возможностей и дополнительных крепежно-присоединительных опций, монтажных пополнениях и размещениях.
Гарантия - 2 года.
Условное обозначение
Каталог K-series
| Обороты на выходном валу | Крутящий момент на выходном валу | Передаточное число | Радиальные нагрузки на выходной вал | Сервис фактор | Тип редуктора | Масса |
| n2 (об/мин-1) | M2 (Нм) | i | Fr (Н) | fs | m (кг) | |
| 3,5 | 9904 | 396,00 | 58405 | 0,8 | KR774-112M/4 | 432 |
| 4,0 | 8864 | 354,32 | 64285 | 0,9 | ||
| 4,5 | 7798 | 311,14 | 69492 | 1,0 | ||
| 5,0 | 6984 | 278,35 | 73015 | 1,1 | ||
| 5,8 | 6032 | 240,71 | 76711 | 1,3 | ||
| 6,7 | 5232 | 208,42 | 79511 | 1,5 | ||
| 7,7 | 4582 | 182,29 | 81595 | 1,7 |


Вернуться к выбору мощностей
Мотор-редуктор KR774 - является полным аналогом мотор-редукторов: МВН160 (Siti (Италия)) , В153 (Motovario (Италия) , SK9062.1 / 32 - , SK9062.1 / 32 VF , SK9062.1 / 32 AZ , SK9062.1 / 42 - , SK9062.1 / 42 VF , SK9062.1 / 42 AZ (Nord (Германия) , анагогами, с приближенными размерностями, мотор-редукторов ТС180С , ТF180С , ТС200С , ТF200С (производитель -Tramec (Италия)) , VFR250 , A 804 (Bonfiglioli (Италия), CRMI-130/180 (выпускаемой Stm (Италия).
Редуктор КТ774 можно рассматривать как аналогичный редукторам ТА180С , ТА200С (производства Tramec (Италия)), КЦ1-400 , КЦ2-750 (российских заводов) , технический аналог ВН160 (произведенных под маркой Siti (Италия)).
Если вы хотите купить конические редукторы KR774 , вы можете:
Позвонить:
Российская Федерация
+7 (495) 369-04-89
+7 (910) 726-725-4 (МТС) Смоленск
info@tech-privod.com
Республика Беларусь
+375 17 272-04-08 (т/ф) Минск
+375 29 61-787-61 (A1) Минск
+7 (495) 369-04-89
+7 (910) 726-725-4 (МТС) Смоленск
info@tech-privod.com
Республика Беларусь
+375 17 272-04-08 (т/ф) Минск
+375 29 61-787-61 (A1) Минск
