Конические редукторы KR573 15 об/мин... 50 об/мин
15 об/мин... 50 об/мин
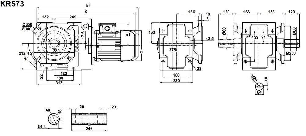
Конический-цилиндрический трансмиссионный привод KR573-112M/4 и KR573-112M/2 - это мощное механическое передаточное устройство, преобразовывающее энергию высокой угловой скорости, получаемую от электродвигателя переменного тока 380V, мощностью 4,0KW, в разных конструктивных конфигурациях 4,0/2800 и 4,0/1400, а также 4,0/900 и 4,0/750, в устойчивое вращательное усилие 1000 - 2600 Nm на выходном валу.Рациональные скоростные характеристики для предлагаемого мотор-редуктора: 14 ~ 47 оборотов в минуту.
Условное обозначение
Каталог K-series
| Обороты на выходном валу | Крутящий момент на выходном валу | Передаточное число | Радиальные нагрузки на выходной вал | Сервис фактор | Тип редуктора | Масса |
| n2 (об/мин-1) | M2 (Нм) | i | Fr (Н) | fs | m (кг) | |
| 13 | 2998 | 109,86 | 21400 | 0,9 | KR573-112M/4 | 172 |
| 14 | 2652 | 97,19 | 24863 | 1,0 | ||
| 17 | 2241 | 82,14 | 28272 | 1,2 | ||
| 21 | 1838 | 67,37 | 31020 | 1,5 | ||
| 24 | 1623 | 59,49 | 32299 | 1,7 | ||
| 26 | 1443 | 52,88 | 33284 | 1,9 | ||
| 31 | 1220 | 44,73 | 34817 | 2,1 | ||
| 37 | 1041 | 38,16 | 35314 | 2,4 | ||
| 42 | 919 | 67,37 | 36827 | 2,7 | KR573-112M/2 | 170 |
| 47 | 812 | 59,49 | 37600 | 2,9 |

Вернуться к выбору мощностей
Мотор-редуктор KR573 - полный аналог мотор-редуктора B123 (от Motovario (Италия)) КТМ63 (Tos-Znojmo (Чехия) МВН125 (Siti (Италия) мотор-редукторов SK9042.1 , SK9042.1 VF , SK9042/1 AZ (NORD (Германия), можно рассматривать как технический аналог мотор-редукторов марок MRT180A , MRT180A-FT , MRT180-FF (производства Tos Znojmo (Италия) , RMI180, RMI180FL (выпускаемых STM (Италия)) MI175 и MI175-F (произведенных Siti (Италия), ТС140В , TF140В (марки от Tramec (Италия)) VF185 , A552 , A553 , A602 , A603 (производства Bonfiglioli (Италия)).
Редуктор КТ573 можно использовать как аналогичный редуктору КЦ1-300 (российского производства) , привода ТА140В производимого Tramec (Италия), аналог редуктора RT150A и RF150A-FF производства Tos-Znojmo (Чехия), технический аналог редукторам ВН125, МВН125, произведенных под маркой Siti (Италия) и технический аналог редуктору КЦ2-125Н (производителя "Зарем").
Если вы хотите купить конические редукторы KR573 , вы можете:
Позвонить:
Российская Федерация
+7 (495) 369-04-89
+7 (910) 726-725-4 (МТС) Смоленск
info@tech-privod.com
Республика Беларусь
+375 17 272-04-08 (т/ф) Минск
+375 29 61-787-61 (A1) Минск
+7 (495) 369-04-89
+7 (910) 726-725-4 (МТС) Смоленск
info@tech-privod.com
Республика Беларусь
+375 17 272-04-08 (т/ф) Минск
+375 29 61-787-61 (A1) Минск
