Соосный цилиндрический редуктор MR873 и NR873 Номинальная мощность - 18,5 кВт Выходные обороты: 15 об/мин ... 40 об/мин
Номинальная мощность - 18,5 кВт
Выходные обороты: 15 об/мин ... 40 об/мин
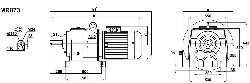
Cоосный цилиндрический мотор-редуктор MR873-180M/4 (исполнение на лапах), NR873-180M/4 (фланцевое исполнение), MR873-200L/6a (исполнение на лапах), NR873-200L/6a(фланцевое исполнение) представляет собой моторизированную зубчатую передачу линейного типа в сборе с электродвигателем.Применяемый электродвигатель номинальной мощностью 18,5 кВт с разно полюсными конфигурациями.
Рационально-эффективная скорость выходного вала для данного габарита: 14 об/мин ... 34 об/мин.
Номинальный крутящий момент - 1200 Нм.
Допускаемые радиально аксиальные нагрузки - 80000 Н.
Сверх надежный, прочный, литой корпус.
Сервис-фактор (fs)
Монтажные расположения
Применяемые типы масел
Условное обозначение
Каталог M-series
| Обороты на выходном валу | Крутящий момент на выходном валу | Передаточное число | Радиальные нагрузки на выходной вал | Сервис фактор | Тип редуктора | Масса |
| n2 (об/мин-1) | M2 (Нм) | i | Fr (Н) | fs | m (кг) | |
| 12 | 13934 | 75,51 | 56559 | 0,9 | MR873-200L/6a NR873-200L/6a | 705 710 |
| 14 | 12207 | 66,15 | 68355 | 1,1 | ||
| 16 | 10262 | 86,51 | 78814 | 1,3 | MR873-180M/4 NR873-180M/4 | 660 665 |
| 19 | 8958 | 75,51 | 84625 | 1,5 | ||
| 21 | 7847 | 66,15 | 89226 | 1,7 | ||
| 24 | 6850 | 57,74 | 92884 | 1,9 | ||
| 27 | 6043 | 50,94 | 97645 | 2,2 | ||
| 31 | 5376 | 45,32 | 95537 | 2,4 | ||
| 34 | 4815 | 40,59 | 93492 | 2,7 | ||
| 40 | 4183 | 35,27 | 90816 | 3,1 |
Вернуться к выбору мощностей
Соосно-цилиндрический мотор-редуктор MR872(3) и NR872(3) можно рассматривать как: полный аналог соосно-цилиндрических мотор-редукторов таких брэндов , как Varvel (Италия) , Motovario (Италия) , STM (Италия) , Transtecno (Италия) , Siti (Италия) , Tos Znojmo (Чехия) , Sew Eurodrive (Германия) , KEB (Германия) , PGR (Турция) и других .
Соосно-цилиндрический мотор-редуктор MR872(3) и NR872(3) можно рассматривать как: технический аналог соосных редукторов таких брэндов , как Bonfiglioli (Италия) , Innovari/Hydromec (Италия) , Watt Drive (Австрия) , Nord Getriebebau DriveSystems (Германия) , Bauer Gearmotors (Германия) , Lenze (Германия) .
Если вы хотите купить соосный цилиндрический редуктор MR873 и NR873 , вы можете:
Позвонить:
Российская Федерация
+7 (495) 369-04-89
+7 (910) 726-725-4 (МТС) Смоленск
info@tech-privod.com
Республика Беларусь
+375 17 272-04-08 (т/ф) Минск
+375 29 61-787-61 (A1) Минск
+7 (495) 369-04-89
+7 (910) 726-725-4 (МТС) Смоленск
info@tech-privod.com
Республика Беларусь
+375 17 272-04-08 (т/ф) Минск
+375 29 61-787-61 (A1) Минск
