Конические редукторы KR873 15 об/мин... 40 об/мин
15 об/мин... 40 об/мин
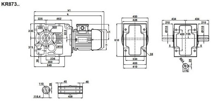
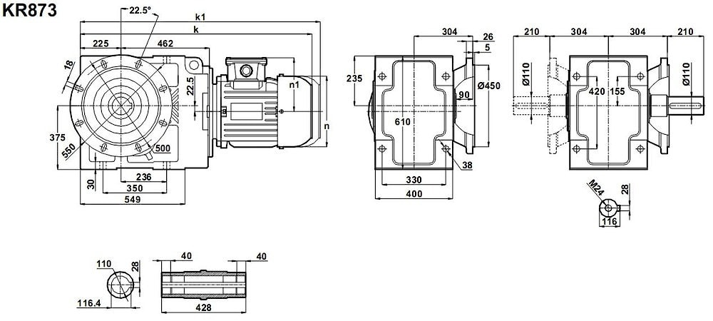
Одно скоростной, трехступенчатый коническо-цилиндрический трансмиссионный приводной механизм, предназначенный для пере направления вращающего движения, для редуцирования оборотов на выходе с мультипликацией крутящего момента к подводимым устройствам, выпускается под маркой KR873-180M/4, с электродвигателем 18,5 киловатт (18,5KW), вращательный момент редуктора - 5000Нм (5000Nm) ... 12000Нм (12000Nm), передаточные числа u=38, u=43, u= 50, u= 62, u= 70, u= 81, u= 92, u= 103.Гарантия - 24 месяцев.
Условное обозначение
Каталог K-series
| Обороты на выходном валу | Крутящий момент на выходном валу | Передаточное число | Радиальные нагрузки на выходной вал | Сервис фактор | Тип редуктора | Масса |
| n2 (об/мин-1) | M2 (Нм) | i | Fr (Н) | fs | m (кг) | |
| 14 | 12247 | 103,24 | 110471 | 1,2 | KR873-180M/4 | 688 |
| 15 | 11008 | 92,80 | 114520 | 1,4 | ||
| 17 | 9616 | 81,06 | 115466 | 1,6 | ||
| 20 | 8394 | 70,76 | 113058 | 1,8 | ||
| 22 | 7405 | 62,42 | 110672 | 2,0 | ||
| 25 | 6588 | 55,53 | 108335 | 2,3 | ||
| 28 | 5901 | 49,75 | 106061 | 2,5 | ||
| 32 | 5126 | 43,22 | 103073 | 2,9 | ||
| 37 | 4507 | 38,00 | 100286 | 3,2 |


Вернуться к выбору мощностей
Мотор-редуктор KR873 - полный аналог мотор-редукторов SK9082.1 , SK9082.1 VF , SK9082.1 AZ (Nord (Германия), можно рассматривать как технический аналог мотор-редукторов марок B163 (от Motovario (Италия)) , МВН180 (Siti (Италия) A 904 (производства Bonfiglioli (Италия)).
Редуктор КТ873 можно рассматривать как аналогичный (приближенным по крепежным размерам) редукторам ВН180, ВН200 (произведенных под маркой Siti (Италия)) и технический аналог редукторам КЦ1-500 , КЦ2-250Н (производства "Зарем").
Если вы хотите купить конические редукторы KR873 , вы можете:
Позвонить:
Российская Федерация
+7 (495) 369-04-89
+7 (910) 726-725-4 (МТС) Смоленск
info@tech-privod.com
Республика Беларусь
+375 17 272-04-08 (т/ф) Минск
+375 29 61-787-61 (A1) Минск
+7 (495) 369-04-89
+7 (910) 726-725-4 (МТС) Смоленск
info@tech-privod.com
Республика Беларусь
+375 17 272-04-08 (т/ф) Минск
+375 29 61-787-61 (A1) Минск
