Конические редукторы KR673 40 об/мин... 150 об/мин
40 об/мин... 150 об/мин
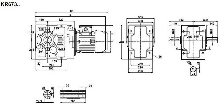
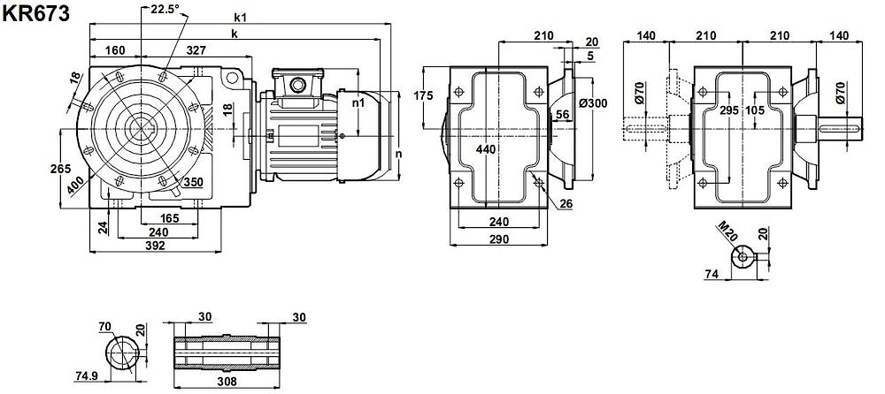
Коническо-цилиндрический привод KR673-180M/4 шестереночная трансмиссия в жесткой сцепке с электромотором мощностью 18,5 киловатт служит для достижения 43 - 169 оборотов в минуту, вращательная мощность выходного вала 1000 - 4000 Nm.Литой, чугунный, моноблочный корпус дополняет высоко технологическое цилиндрическое и конического зацепления.
Предлагается большой выбор крепежно-присоединительных элементов: полых валов разных диаметров, цельных валов, присоединительных фланцев, мотор-редуктор с реактивной штангой.
Условное обозначение
Каталог K-series
| Обороты на выходном валу | Крутящий момент на выходном валу | Передаточное число | Радиальные нагрузки на выходной вал | Сервис фактор | Тип редуктора | Масса |
| n2 (об/мин-1) | M2 (Нм) | i | Fr (Н) | fs | m (кг) | |
| 31 | 5635 | 44,65 | 17896 | 0,8 | KR673-180M/4 | 402 |
| 36 | 4954 | 39,26 | 27209 | 0,9 | ||
| 43 | 4125 | 32,68 | 32185 | 1,0 | ||
| 50 | 3546 | 28,10 | 32381 | 1,2 | ||
| 57 | 3077 | 24,38 | 32349 | 1,4 | ||
| 66 | 2690 | 21,32 | 32159 | 1,6 | ||
| 75 | 2365 | 18,74 | 31854 | 1,8 | ||
| 85 | 2088 | 16,54 | 31466 | 2,1 | ||
| 97 | 1828 | 14,49 | 30605 | 1,6 | ||
| 112 | 1572 | 12,46 | 30002 | 1,8 | ||
| 130 | 1364 | 10,81 | 29364 | 2,0 | ||
| 148 | 1192 | 9,45 | 28709 | 2,2 | ||
| 169 | 1048 | 8,31 | 28046 | 2,4 |


Вернуться к выбору мощностей
Мотор-редуктор KR673 - полный аналог мотор-редуктора B143 (от Motovario (Италия)) , МВН140 (Siti (Италия) мотор-редукторов SK9052.1 , SK9052.1 VF , SK9052.1 AZ (Nord (Германия), можно рассматривать как технический аналог мотор-редукторов марок ТС180В , TF180В (марки от Tramec (Италия)) VF210 , A703 (производства Bonfiglioli (Италия)).
Редуктор КТ673 можно рассматривать как аналогичный редуктору КЦ2-500 российского производства , редуктора ТА180В, ТС180В , ТF180В , производимого Tramec (Италия), аналог редуктора RT180A и RТ180A-FF производства Tos-Znojmo (Чехия), технический аналог редукторам ВН140, МВН140, произведенных под маркой Siti (Италия) и технический аналог редукторам КЦ1-300 , КЦ2-160Н производителя "Зарем"
Если вы хотите купить конические редукторы KR673 , вы можете:
Позвонить:
Российская Федерация
+7 (495) 369-04-89
+7 (910) 726-725-4 (МТС) Смоленск
info@tech-privod.com
Республика Беларусь
+375 17 272-04-08 (т/ф) Минск
+375 29 61-787-61 (A1) Минск
+7 (495) 369-04-89
+7 (910) 726-725-4 (МТС) Смоленск
info@tech-privod.com
Республика Беларусь
+375 17 272-04-08 (т/ф) Минск
+375 29 61-787-61 (A1) Минск
