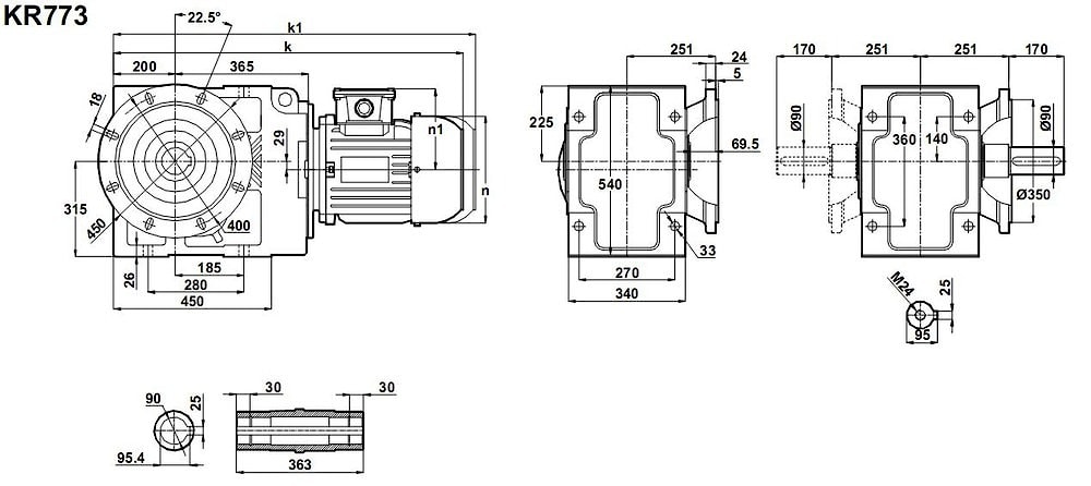
Конические редукторы KR773 20 об/мин... 70 об/мин
20 об/мин... 70 об/мин
Коническо-цилиндрический мотор-редуктор KR773-180M/4 - полноценное и эргономичное решение в области приводных механизмов для промышленного применения.Подробнее:
Подводимый электродвигатель мощностью 18,5 кВт (18,5*3000, 18,5*1500, 18,5/1000, 18,5/750)
Передаваемая мощность - 7250 Н*м
Усилие на выходном валу - до 800 Н*м.
Рекомендуемая скорость выходного вала - 21 об/мин - 69 об/мин.
Радиальные нагрузки - 54000 Н
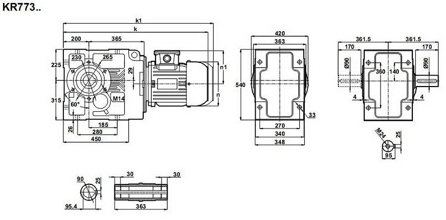
Условное обозначение
Каталог K-series
| Обороты на выходном валу | Крутящий момент на выходном валу | Передаточное число | Радиальные нагрузки на выходной вал | Сервис фактор | Тип редуктора | Масса |
| n2 (об/мин-1) | M2 (Нм) | i | Fr (Н) | fs | m (кг) | |
| 18 | 9665 | 76,59 | 53427 | 0,8 | KR773-180M/4 | 560 |
| 21 | 8369 | 66,32 | 53964 | 1,0 | ||
| 24 | 7319 | 58,00 | 54105 | 1,1 | ||
| 27 | 6452 | 51,13 | 53972 | 1,2 | ||
| 31 | 5724 | 45,36 | 53644 | 1,4 | ||
| 35 | 5104 | 40,44 | 53174 | 1,6 | ||
| 36 | 4922 | 39,00 | 52997 | 1,6 | ||
| 41 | 4263 | 33,78 | 52182 | 1,9 | ||
| 48 | 3710 | 29,40 | 51245 | 2,2 | ||
| 53 | 3346 | 26,52 | 50472 | 2,4 | ||
| 60 | 2969 | 23,52 | 49509 | 2,7 | ||
| 67 | 2647 | 20,97 | 48532 | 3,0 | ||
| 69 | 2552 | 20,23 | 48212 | 3,1 |
Вернуться к выбору мощностей
Мотор-редуктор KR773 - полный аналог мотор-редуктора B153 (от Motovario (Италия)) , МВН160 (Siti (Италия) мотор-редукторов SK9062.1 , SK9062.1 VF , SK9062.1 AZ (Nord (Германия), можно рассматривать как технический аналог мотор-редукторов марок ТС225В , TF225В ТС200В , TF200В (марки от Tramec (Италия)) VF250 , A803 (производства Bonfiglioli (Италия)). Редуктор КТ773 можно рассматривать как аналогичный редукторам КЦ1-400 , КЦ2-750 (российского производства), редуктора ТА200В, ТА225В (производимого Tramec (Италия)), технический аналог редукторам ВН160 (произведенных под маркой Siti (Италия)) и технический аналог редукторам КЦ2-200Н (производителя "Зарем").
Если вы хотите купить конические редукторы KR773 , вы можете:
Позвонить:
Российская Федерация
+7 (495) 369-04-89
+7 (910) 726-725-4 (МТС) Смоленск
info@tech-privod.com
Республика Беларусь
+375 17 272-04-08 (т/ф) Минск
+375 29 61-787-61 (A1) Минск
+7 (495) 369-04-89
+7 (910) 726-725-4 (МТС) Смоленск
info@tech-privod.com
Республика Беларусь
+375 17 272-04-08 (т/ф) Минск
+375 29 61-787-61 (A1) Минск
