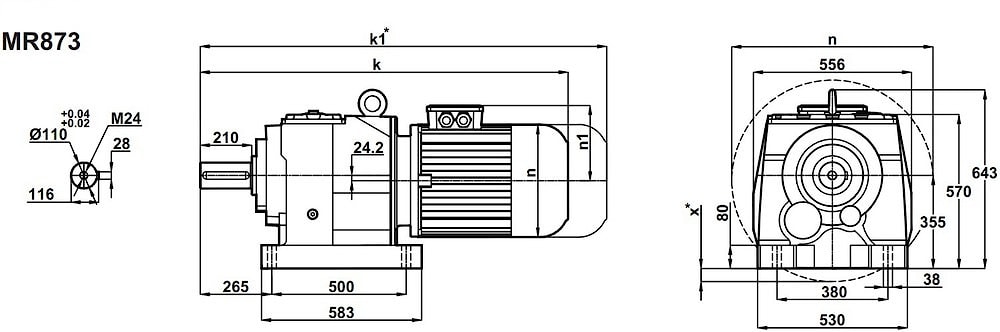
Соосный цилиндрический редуктор MR873, NR873 Номинальная мощность - 11,0кВт Выходные обороты - 8,0 об/мин ... 25 об/мин
Номинальная мощность - 11,0кВт
Выходные обороты - 8,0 об/мин ... 25 об/мин

Эффективные передаточные числа для данного габарита i=50 ... i=110.
Предельные радиальные нагрузки до 8000N, аксиальные - 20%.
Повышенный коэффициент износа, надежный корпус, инновационные технологии изготовления шестерен.
Гарантия от производителя - 2 года.
Сервис-фактор (fs)
Монтажные расположения
Применяемые типы масел
Условное обозначение
Каталог M-series
Обороты на выходном валу | Крутящий момент на выходном валу | Передаточное число | Радиальные нагрузки на выходной вал | Сервис фактор | Тип редуктора | Масса |
n2 (об/мин-1) | M2 (Нм) | i | Fr (Н) | fs | m (кг) | |
8,2 | 12087 | 110,17 | 69099 | 1,1 | MR873-160L/6 NR873-160L/6 | 615 620 |
9,0 | 10951 | 99,81 | 75395 | 1,2 | ||
10 | 10295 | 93,83 | 78651 | 1,3 | ||
11 | 9243 | 84,24 | 83526 | 1,4 | ||
12 | 8374 | 76,32 | 87036 | 1,6 | ||
13 | 7770 | 110,17 | 89417 | 1,7 | MR873-160M/4 NR873-160M/4 | 610 615 |
14 | 7040 | 99,81 | 92124 | 1,8 | ||
15 | 6618 | 93,83 | 93613 | 2,0 | ||
17 | 5942 | 84,24 | 95885 | 2,2 | ||
18 | 5383 | 76,32 | 97664 | 2,4 | ||
21 | 4666 | 66,15 | 99823 | 2,8 | ||
24 | 4073 | 57,74 | 101507 | 3,2 | ||
27 | 3593 | 50,94 | 104367 | 3,6 |


Вернуться к выбору мощностей
Соосно-цилиндрический мотор-редуктор MR873 и NR873 можно рассматривать как: полный аналог соосно-цилиндрических мотор-редукторов таких брэндов , как Varvel (Италия) , Motovario (Италия) , STM (Италия) , Transtecno (Италия) , Siti (Италия) , Tos Znojmo (Чехия) , Sew Eurodrive (Германия) , KEB (Германия) , PGR (Турция) и других .
Соосно-цилиндрический мотор-редуктор MR873 и NR873 можно рассматривать как: технический аналог соосных редукторов таких брэндов , как Bonfiglioli (Италия) , Innovari/Hydromec (Италия) , Watt Drive (Австрия) , Nord Getriebebau DriveSystems (Германия) , Bauer Gearmotors (Германия) , Lenze (Германия) .
Если вы хотите купить соосный цилиндрический редуктор MR873, NR873 , вы можете:
Позвонить:
Российская Федерация
+7 (495) 369-04-89
+7 (910) 726-725-4 (МТС) Смоленск
info@tech-privod.com
Республика Беларусь
+375 17 272-04-08 (т/ф) Минск
+375 29 61-787-61 (A1) Минск
+7 (495) 369-04-89
+7 (910) 726-725-4 (МТС) Смоленск
info@tech-privod.com
Республика Беларусь
+375 17 272-04-08 (т/ф) Минск
+375 29 61-787-61 (A1) Минск