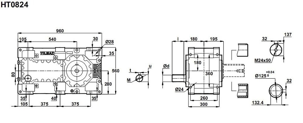
Четырехступенчатый редуктор - HT0824 i = 87 ... 320
i = 87 ... 320
Промышленная зубчатая трансмиссия HT 0824 - цилиндрический четырех ступенчатый редуктор (НТ), редуктор с входным фланцем для электропривод (НК), редуктор с экструдерной приставкой (НТЕ).Ряд передаточных чисел на выбор: i=111 ; i= 118,5 ; i= 134,5 ; i= 153 ; i= 176 ; i= 203,6 ; i= 238,3 ; i= 259 ; i= 284 ; i= 309 ; i= 371,5 ; i= 403,2 .
Используется редуктор с мощность электропривода 9,2 KW - 33 KW при входной скорости 1500 об/мин ; 6,0 KW - 21 KW при входной скорости 1000 об/мин ; 5 KW - 18 KW при входной скорости 750 об/мин ; 3 KW - 11 KW при входной скорости 500 об/мин ; 2 KW - 7,1 KW при входной скорости 300 об/мин .
| Номинальный крутящий момент | Передаточное число | Выходные обороты n2 | Номинальная мощность при сервис-факторе fs=1 | Тип | Допустимые радиальные нагрузки на | Вес | |
| n1=1400 | выходящий вал | входящий вал | |||||
| Ma max [Nm] | i | об/мин | kW | kN | kN | кг | |
| 24000 | 111,32 | 13 | 33 | НТ0824 | 103 | 6,9 | 630 |
| 24000 | 118,42 | 12 | 31 | 103 | 6,9 | ||
| 24000 | 134,40 | 10 | 27 | 103 | 7,0 | ||
| 24000 | 153,28 | 9,1 | 24 | 103 | 7,0 | ||
| 24000 | 175,94 | 8,0 | 21 | 103 | 7,1 | ||
| 24000 | 203,63 | 6,9 | 18 | 103 | 7,1 | ||
| 24000 | 238,25 | 5,9 | 15 | 103 | 5,0 | ||
| 24000 | 259,02 | 5,4 | 14 | 103 | 5,0 | ||
| 24000 | 284,07 | 4,9 | 13 | 103 | 5,0 | ||
| 24000 | 307,89 | 4,5 | 12 | 103 | 4,0 | ||
| 24000 | 371,42 | 3,8 | 10 | 103 | 4,0 | ||
| 24000 | 403,19 | 3,5 | 9,2 | 103 | 4,0 | ||

Если вы хотите купить четырехступенчатый редуктор - HT0824 , вы можете:
Позвонить:
Российская Федерация
+7 (495) 369-04-89
+7 (910) 726-725-4 (МТС) Смоленск
info@tech-privod.com
Республика Беларусь
+375 17 272-04-08 (т/ф) Минск
+375 29 61-787-61 (A1) Минск
+7 (495) 369-04-89
+7 (910) 726-725-4 (МТС) Смоленск
info@tech-privod.com
Республика Беларусь
+375 17 272-04-08 (т/ф) Минск
+375 29 61-787-61 (A1) Минск
