Мини электропривод 2IK6R (6 Ватт) c регулируемой скоростью Номинальная мощность - 0,006 кВт Выходные обороты: 0,6 об/мин ~ 1400 об/мин
Номинальная мощность - 0,006 кВт
Выходные обороты: 0,6 об/мин ~ 1400 об/мин
Регулировка мини мотора производится с использованием регулятора (контроллера) скорости, который подключается в электрическую схему мини мотора, и за счет потенциометра и датчика обратной связи дает возможность плавного увеличения/уменьшения динамики вращения.Регулятор скорости может быть в упрощенной версии - US (без цифрового дисплея) и в версии DS (c наличием дисплея, с набором других полезных функций таких, как реверс/стоп и др.). Отмечаем, что регулятор скорости простейшее электронное устройство, без большого набора электрических функций.
Подчеркиваем, что использование предлагаемого регулятора возможно только в однофазных сетях.
Обращаем внимание: диапазон выходных скоростей от 90 об/мин до 1400 об/мин используется электродвигатель с регулятором скорости
Для всех других диапазонов используется мотор-редуктор с регулятором скорости (см. таблицу)
В зависимости от необходимого интервала скоростей предлагаются редукторные части с передаточным отношением: i=5, i=15, i=50, i=75, i=150 ( в принципе, допускается использование любого передаточного числа иэ предложенного).
Схема подключения
Опции
Условные обозначения
Все параметры представлены в следующей таблице.
| Модель регулируемого электропривода | Напря-жение | Конден-сатор | Рабочий диапазон | Крутящий момент в крайних точках диапазона | Пусковой момент | Масса | ||||||
| мотор | редуктор | вал | В | мФр | n2 (об/мин) | M2 (Нм) | Мстарт (мНм) | M (кг) | ||||
| мин | макс | мин | макс | |||||||||
| 2IK6R-C1 | - | - | A2 | A0 | 110 | 2.0 | 90 | 1400 | 0.05 | 0.60 | 35 | 0.7 |
| 2IK6R-C2 | - | - | A2 | A0 | 220 | 1.0 | 90 | 1400 | 0.05 | 0.60 | 35 | 0.7 |
| 2IK6R-C1-GN | 2GN5K | - | 8 | - | 110 | 2.0 | 19 | 280 | 0.24 | 2.5 | 35 | 1.4 |
| 2IK6R-C2-GN | 2GN5K | - | 8 | - | 220 | 1.0 | 19 | 280 | 0.24 | 2.5 | 35 | 1.4 |
| 2IK6R-C1-GN | 2GN15K | - | 8 | - | 110 | 2.0 | 6.0 | 93 | 0.60 | 3.0 | 35 | 1.4 |
| 2IK6R-C2-GN | 2GN15K | - | 8 | - | 220 | 1.0 | 6.0 | 93 | 0.60 | 3.0 | 35 | 1.4 |
| 2IK6R-C1-GN | 2GN50K | - | 8 | - | 110 | 2.0 | 1.8 | 28 | 1.6 | 4.5 | 35 | 1.4 |
| 2IK6R-C2-GN | 2GN50K | - | 8 | - | 220 | 1.0 | 1.8 | 28 | 1.6 | 4.5 | 35 | 1.4 |
| 2IK6R-C1-GN | 2GN75K | - | 8 | - | 110 | 2.0 | 1.3 | 19 | 2.4 | 4.5 | 35 | 1.4 |
| 2IK6R-C2-GN | 2GN75K | - | 8 | - | 220 | 1.0 | 1.3 | 19 | 2.4 | 4.5 | 35 | 1.4 |
| 2IK6R-C1-GN | 2GN150K | - | 8 | - | 110 | 2.0 | 0.6 | 9.3 | 3.0 | 4.8 | 35 | 1.4 |
| 2IK6R-C2-GN | 2GN150K | - | 8 | - | 220 | 1.0 | 0.6 | 9.3 | 3.0 | 4.8 | 35 | 1.4 |
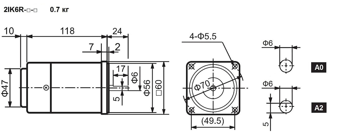
| Электродвигатель с регулируемой скоростью |
|
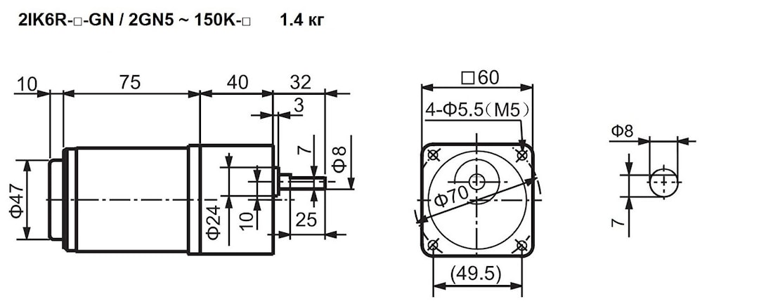
| Мотор-редуктор с регулируемой скоростью |
|
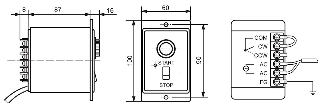
| Контроллер скорости |
|
Мини электропривод 2IK6R (6 Ватт) c регулируемой скоростью можно рассматривать, как аналоги следующих моделей:6SD_A-6 , 6SRD_A-6, 6SBD_A6, 6SD_D-6, 6SRD_D-6, 6SBD_D-6, 6SD_E-6, 6SRD_E-6, 6SBD_E-6 (Корея) , 2IK6R и 2RK6R (Oriental motor), 6YT06W_ (Wanshsin), M206 (Китай).
Если вы хотите купить мини электропривод 2IK6R (6 Ватт) c регулируемой скоростью , вы можете:
Позвонить:
Российская Федерация
+7 (495) 369-04-89
+7 (910) 726-725-4 (МТС) Смоленск
info@tech-privod.com
Республика Беларусь
+375 17 272-04-08 (т/ф) Минск
+375 29 61-787-61 (A1) Минск
+7 (495) 369-04-89
+7 (910) 726-725-4 (МТС) Смоленск
info@tech-privod.com
Республика Беларусь
+375 17 272-04-08 (т/ф) Минск
+375 29 61-787-61 (A1) Минск



