Гибридный шаговый двигатель 57мм NEMA23 Момент удержания - 0.45Nm, 0.9Nm и 1.5Nm Шаг - 1.2 , Трехфазный
Момент удержания - 0.45Nm, 0.9Nm и 1.5Nm
Шаг - 1.2 , Трехфазный
Трехфазные шаговые двигатели 3S57Q-04079 , 3S57Q-04056 и 3S57Q-04042 - высокотехнологичные приводные решения, обладающие универсальностью, компактностью и высокой степенью эффектоотдачи. Номинальная размерность шага - 1.20Момент на выходном валу ранжируется по трем вариантам конструкции: 0,5Нм , 0,9 Нм и 1,5Нм.
Рекомендуемые драйвера для двигателей 3S57Q-04079 , 3S57Q-04056и 3S57Q-04042: 3М458 и 3М880N
Рекомендуемая полевая шина: FM860.
Для получения большего крутящего момента на выходном валу, и для целей смягчения хода между шагами применяют прецизионные редукторы.
Условное обозначение шагового двигателя
Подключение шагового двигателя
| Техническая спецификация | 3S57Q-04079 | 3S57Q-04056 | 3S57Q-04042 |
| Параметр | Значение | ||
| Шаг | 1.20 (+/-5%) | 1.20 (+/-5%) | 1.20 (+/-5%) |
| Ток на фазе | 5.8А | 5.6А | 5.2A |
| Удерживаемый момент | 1.5Nm | 0.9Nm | 0.45Nm |
| Амортизирующий момент | 0.07Nm | 0.04Nm | 0.02Nm |
| Сопротивление обмоток | 1.0Ом (+/-10%) | 0.7Ом(+/-10%) | 1.3Ом (+/-10%) |
| Индуктивность обмоток | 2.4(+/-20%)mH | 1.7(+/-20%)mH | 1.4(+/-20%)mH |
| Момент инерции | 0.48кг*см2 | 0.3кг*см2 | 0.11кг*см2 |
| Длина мотора (L) | 79мм | 56мм | 42мм |
| Количество выведенных проводов | 6 | ||
| Класс изоляции | В | ||
| Удерживаемое напряжение | 600V AC 1S 5мА | ||
| Допустимые аксиальные нагрузки | 15N | ||
| Допустимые радиальные нагрузки | 75N | ||
| Температуры эксплуатации | -200С - +500С | ||
| Сопротивление изоляции | Минимум 100МОм при 500V DC | ||
| Вес | 1.0кг | 0.72кг | 0.45кг |
| Стартовая частота без нагрузок | 2.1КГц | 2.4КГц | 2.4KГц |
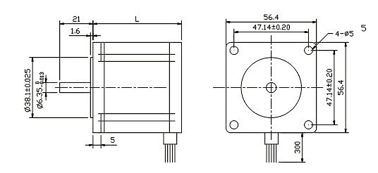
| Размеры устройства |
|
Если вы хотите купить гибридный шаговый двигатель 57мм NEMA23 , вы можете:
Позвонить:
Российская Федерация
+7 (495) 369-04-89
+7 (910) 726-725-4 (МТС) Смоленск
info@tech-privod.com
Республика Беларусь
+375 17 272-04-08 (т/ф) Минск
+375 29 61-787-61 (A1) Минск
+7 (495) 369-04-89
+7 (910) 726-725-4 (МТС) Смоленск
info@tech-privod.com
Республика Беларусь
+375 17 272-04-08 (т/ф) Минск
+375 29 61-787-61 (A1) Минск

