Гибридный шаговый двигатель 85мм NEMA34 Момент удержания - 2.0Nm и 4.0Nm Шаг - 1.2 , Трехфазный
Момент удержания - 2.0Nm и 4.0Nm
Шаг - 1.2 , Трехфазный
Трехфазный шаговый двигатель 85 серии представлены моделями 3S85Q-04097 и 3S85Q-04067.Шаговая размерность - 1.20 . Моменты удержания - 2Нм и 4Нм.
Высокая эффективность, технологии энергосбережения, компактная структура моторов - достоинства, которые собраны в представленных двигателях.
Применяемые драйверы к двигателям 3S85Q-04097 и 3S85Q-04067 - 3М458 и 3М880N.
Для организации промышленных сетей используют полевую шину : FM860 .
Рекомендуемые редукторы - прецизионные редукторы.
Условное обозначение шагового двигателя
Подключение шагового двигателя
| Техническая спецификация | 3S85Q-04097 | 3S85Q-04067 |
| Параметр | Значение | Значение |
| Шаг | 1.20 (+/-5%) | 1.20 (+/-5%) |
| Ток на фазе | 5.8А | 5.8А |
| Удерживающий момент | 4.0Nm | 2.0Nm |
| Амортизирующий момент | 0.12Nm | 0.08Nm |
| Сопротивление обмоток | 1.1Ом (+/-10%) | 0.6Ом(+/-10%) |
| Индуктивность обмоток | 4.6(+/-20%)mH | 1.8(+/-20%)mH |
| Момент инерции | 2.32кг*см2 | 1.1кг*см2 |
| Длина мотора (L) | 97мм | 67мм |
| Количество проводов питания | 6 | |
| Класс изоляции | В | |
| Удерживаемое напряжение | 600V AC 1S 5мА | |
| Допустимые аксиальные нагрузки | 60N | |
| Допустимые радиальные нагрузки | 220N | |
| Температура | -200С - +500С | |
| Сопротивление изоляции | Минимум 100Мом при 500V DC | |
| Вес | 2.7кг | 1.65кг |
| Длинна проводов | 400(+/-5)mm | 500(+/-3)mm |
| Частота без нагрузок | 1.4КГц | 1.4КГц |
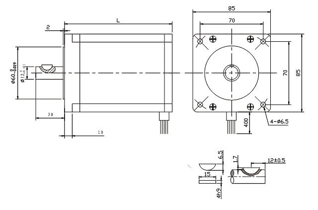
| Размеры устройства |
|
Если вы хотите купить гибридный шаговый двигатель 85мм NEMA34 , вы можете:
Позвонить:
Российская Федерация
+7 (495) 369-04-89
+7 (910) 726-725-4 (МТС) Смоленск
info@tech-privod.com
Республика Беларусь
+375 17 272-04-08 (т/ф) Минск
+375 29 61-787-61 (A1) Минск
+7 (495) 369-04-89
+7 (910) 726-725-4 (МТС) Смоленск
info@tech-privod.com
Республика Беларусь
+375 17 272-04-08 (т/ф) Минск
+375 29 61-787-61 (A1) Минск

