Гибридный шаговый двигатель 42мм NEMA17 Момент удержания - 0.24Nm и 0.32Nm Шаг - 1.8 , Двухфазный
Момент удержания - 0.24Nm и 0.32Nm
Шаг - 1.8 , Двухфазный
Шаговый двигатель 42 серии —
2S42Q-03848 и 2S42Q-02940, со значением шага в 1,8 градуса.
Компактное исполнение , повышенная эффективность,
высокий рабочий момент.
Рекомендуемые драйверы для шаговых двигателей 2S42Q-03848 и 2S42Q-02940: 2М412 и 2М420.
Рекомендуемая полевая шина: FM860 .
Прецизионные редукторы - рекомендуются для эксплуатации с шаговыми двигателями.
Условное обозначение шагового двигателя
Подключение шагового двигателя
| Техническая спецификация | 2 S42Q-03848 | 2 S42Q-02940 |
| Параметр | Значение | Значение |
| Шаг | 1.80 (+/-5%) | 1.80 (+/-5%) |
| Ток на фазе | 1.2А | 0.87А |
| Удерживающий момент | 0.32Nm | 0.24Nm |
| Амортизирующий момент | 0.02Nm | 0.015Nm |
| Сопротивление обмоток | 3.2Ом (+/-10%) | 3.3Ом(+/-10% |
| Индуктивность обмоток | 6.0(+/-20%)mH | 5.0(+/-20%)mH |
| Момент инерции | 0.08кг*см2 | 0,06кг*см2 |
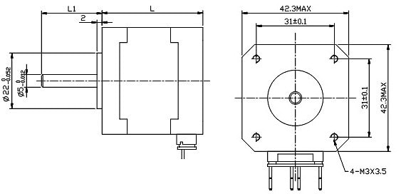
| Длина мотора (L) | 48мм | 40мм |
| Длина мотора (L1) | 24(+/-0.5)мм | 22(+/-0.5)мм |
| Количество проводов питания | 4 | |
| Класс изоляции | В | |
| Удерживаемое напряжение | 300V AC 1S 5мА | |
| Допустимые аксиальные нагрузки | 10N | |
| Допустимые радиальные нагрузки | 21N | |
| Температура | -200С - +500С | |
| Сопротивление изоляции | Минимум 100Мом при 500V DC | |
| Вес | 0,34кг | 0,24кг |
| Длинна проводов | 400(+/-5)mm | 500(+/-3)mm |
| Частота без нагрузок | 11,4K | 12.4K |
| Размеры устройства |
|
Шаговые данные двигатели 2S42Q-03848 и 2S42Q-02940 являются полными аналогами двигателей 42BYGHW , 42BYGH , 42BYGHM .
Если вы хотите купить гибридный шаговый двигатель 42мм NEMA17 , вы можете:
Позвонить:
Российская Федерация
+7 (495) 369-04-89
+7 (910) 726-725-4 (МТС) Смоленск
info@tech-privod.com
Республика Беларусь
+375 17 272-04-08 (т/ф) Минск
+375 29 61-787-61 (A1) Минск
+7 (495) 369-04-89
+7 (910) 726-725-4 (МТС) Смоленск
info@tech-privod.com
Республика Беларусь
+375 17 272-04-08 (т/ф) Минск
+375 29 61-787-61 (A1) Минск

