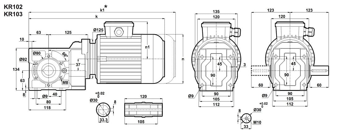
Конические редукторы KR102 96 об/мин ... 450 об/мин
96 об/мин ... 450 об/мин

Условное обозначение
Каталог K-series
Обороты на выходном валу | Крутящий момент на выходном валу | Передаточное число | Радиальные нагрузки на выходной вал | Сервис фактор | Тип редуктора | Масса |
n2 (об/мин-1) | M2 (Нм) | i | Fr (Н) | fs | m (кг) | |
96 | 142 | 14,61 | 3521 | 0,8 | KR102-90L/4 | 21 |
112 | 121 | 12,51 | 3473 | 0,9 | ||
127 | 108 | 11,05 | 3422 | 0,9 | ||
136 | 101 | 10,32 | 3391 | 1,0 | ||
161 | 85 | 8,72 | 3304 | 1,1 | ||
192 | 71 | 7,29 | 3198 | 1,3 | ||
223 | 61 | 6,28 | 3105 | 1,5 | ||
253 | 54 | 11,05 | 3024 | 1,6 | KR102-90S/2 | 19 |
271 | 50 | 10,32 | 2978 | 1,6 | ||
321 | 42 | 8,72 | 2863 | 1,9 | ||
384 | 36 | 7,29 | 2739 | 2,1 | ||
446 | 31 | 6,28 | 2637 | 2,3 |


Вернуться к выбору мощностей
Если вы хотите купить конические редукторы KR102 , вы можете:
Позвонить:
Российская Федерация
+7 (495) 369-04-89
+7 (910) 726-725-4 (МТС) Смоленск
info@tech-privod.com
Республика Беларусь
+375 17 272-04-08 (т/ф) Минск
+375 29 61-787-61 (A1) Минск
+7 (495) 369-04-89
+7 (910) 726-725-4 (МТС) Смоленск
info@tech-privod.com
Республика Беларусь
+375 17 272-04-08 (т/ф) Минск
+375 29 61-787-61 (A1) Минск