Конические редукторы KR202 и KR203 38 об/мин ... 220 об/мин
38 об/мин ... 220 об/мин
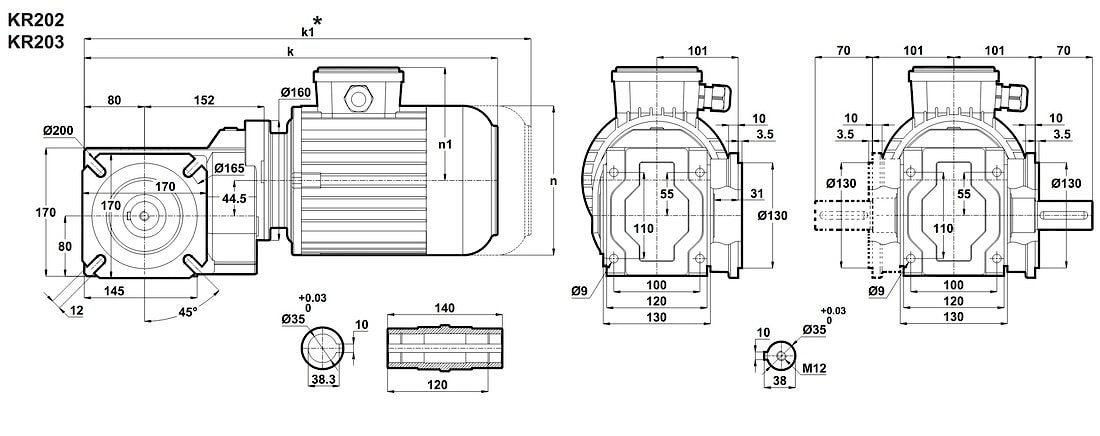
Конические мотор-редукторы KR202 и KR203Условное обозначение
Каталог K-series
| Обороты на выходном валу | Крутящий момент на выходном валу | Передаточное число | Радиальные нагрузки на выходной вал | Сервис фактор | Тип редуктора | Масса |
| n2 (об/мин-1) | M2 (Нм) | i | Fr (Н) | fs | m (кг) | |
| 38 | 352 | 36,61 | 3844 | 0,8 | KR203-90L/4 | 26 |
| 44 | 303 | 31,55 | 4010 | 0,9 | ||
| 53 | 253 | 26,31 | 4121 | 1,0 | ||
| 59 | 231 | 23,79 | 4370 | 1,2 | KR202-90L/4 | 25 |
| 69 | 197 | 20,23 | 4321 | 1,4 | ||
| 80 | 170 | 17,47 | 4254 | 1,6 | ||
| 92 | 149 | 15,26 | 4178 | 1,7 | ||
| 98 | 140 | 14,32 | 4139 | 1,8 | ||
| 115 | 119 | 12,17 | 4029 | 2,1 | ||
| 132 | 103 | 10,57 | 3924 | 2,3 | ||
| 151 | 91 | 9,25 | 3819 | 2,5 | ||
| 183 | 75 | 7,65 | 3664 | 2,9 | ||
| 220 | 63 | 6,38 | 3512 | 3,3 |

Вернуться к выбору мощностей
Если вы хотите купить конические редукторы KR202 и KR203 , вы можете:
Позвонить:
Российская Федерация
+7 (495) 369-04-89
+7 (910) 726-725-4 (МТС) Смоленск
info@tech-privod.com
Республика Беларусь
+375 17 272-04-08 (т/ф) Минск
+375 29 61-787-61 (A1) Минск
+7 (495) 369-04-89
+7 (910) 726-725-4 (МТС) Смоленск
info@tech-privod.com
Республика Беларусь
+375 17 272-04-08 (т/ф) Минск
+375 29 61-787-61 (A1) Минск
