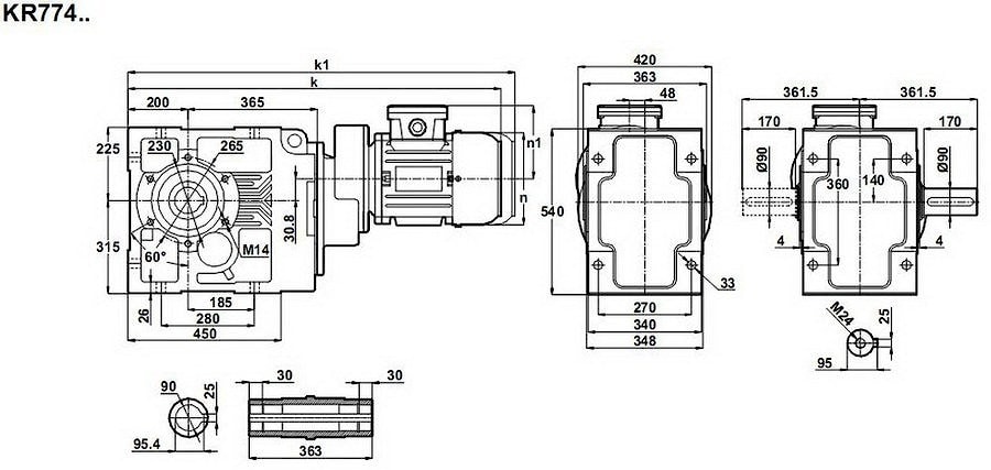
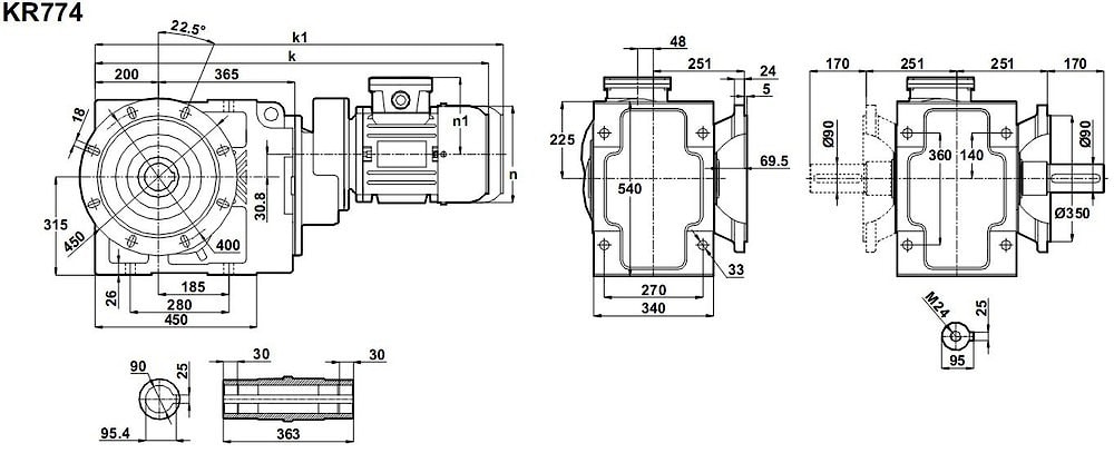
Конические редукторы KR774 2,0 об/мин... 6,0 об/мин
2,0 об/мин... 6,0 об/мин
Конический моторредуктор KR774-90L/4 и KR774-100L/6, с подводимой мощностью 1,5 кВт, как правило, это обще промышленный электромотор 1,5/1500 или 1,5/1000.Правила эксплуатации привода допускает использование отличных электромоторов - 1,5/3000 и 1,5/750.
Эффективные выходные обороты приводного вала 2,3 об/мин - 5,8 об/мин.
Силовой коническо-цилиндрический механизм предназначен для передачи вращающего момента: 2500 - 6000 Нм.
Гарантия - 2 года.
Условное обозначение
Каталог K-series
| Обороты на выходном валу | Крутящий момент на выходном валу | Передаточное число | Радиальные нагрузки на выходной вал | Сервис фактор | Тип редуктора | Масса |
| n2 (об/мин-1) | M2 (Нм) | i | Fr (Н) | fs | m (кг) | |
| 2,3 | 5778 | 396,00 | 77630 | 1,4 | KR774-100L/6 | 426 |
| 2,5 | 5171 | 354,32 | 79713 | 1,5 | ||
| 2,9 | 4549 | 311,14 | 81698 | 1,8 | ||
| 3,2 | 4074 | 278,35 | 83125 | 2,0 | ||
| 3,5 | 3714 | 396,00 | 84247 | 2,2 | KR774-90L/4 | 421 |
| 4,0 | 3324 | 354,32 | 85206 | 2,4 | ||
| 4,5 | 2924 | 311,14 | 86245 | 2,7 | ||
| 5,0 | 2619 | 278,35 | 87005 | 3,1 | ||
| 5,8 | 2262 | 240,71 | 87858 | 3,5 |


Вернуться к выбору мощностей
Мотор-редуктор KR774 - является полным аналогом мотор-редукторов: МВН160 (Siti (Италия)) , В153 (Motovario (Италия) , SK9062.1 / 32 - , SK9062.1 / 32 VF , SK9062.1 / 32 AZ , SK9062.1 / 42 - , SK9062.1 / 42 VF , SK9062.1 / 42 AZ (Nord (Германия) , анагогами, с приближенными размерностями, мотор-редукторов ТС180С , ТF180С , ТС200С , ТF200С (производитель -Tramec (Италия)) , VFR250 , A 804 (Bonfiglioli (Италия), CRMI-130/180 (выпускаемой Stm (Италия).
Редуктор КТ774 можно рассматривать как аналогичный редукторам ТА180С , ТА200С (производства Tramec (Италия)), КЦ1-400 , КЦ2-750 (российских заводов) , технический аналог ВН160 (произведенных под маркой Siti (Италия)).
Если вы хотите купить конические редукторы KR774 , вы можете:
Позвонить:
Российская Федерация
+7 (495) 369-04-89
+7 (910) 726-725-4 (МТС) Смоленск
info@tech-privod.com
Республика Беларусь
+375 17 272-04-08 (т/ф) Минск
+375 29 61-787-61 (A1) Минск
+7 (495) 369-04-89
+7 (910) 726-725-4 (МТС) Смоленск
info@tech-privod.com
Республика Беларусь
+375 17 272-04-08 (т/ф) Минск
+375 29 61-787-61 (A1) Минск
