Конические редукторы KR273 30 об/мин... 400 об/мин
30 об/мин... 400 об/мин
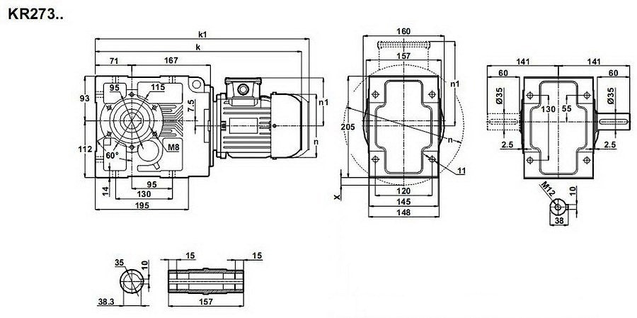
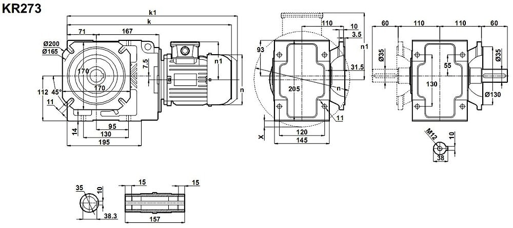
Конический редуктор служит для достижения вращающего крутящего момента на конце выходного вала 100 ~ 400 Nm, с пере направлением плоскости отдачи мощности - для номинала 1,5 KW производится конический цилиндрический мотор-редуктор KR273-90S/2 и KR273-90L/4.Скорость вращений исполнительного вала 32 об/мин - 404 об/мин.
Трансмиссия поставляется во фланцевом исполнении , в исполнении с полым валом, с полнотелыми валами, с реактивной штангой. Различные адаптивные элементы могут включаться в состав отгрузки.
Условное обозначение
Каталог K-series
| Обороты на выходном валу | Крутящий момент на выходном валу | Передаточное число | Радиальные нагрузки на выходной вал | Сервис фактор | Тип редуктора | Масса |
| n2 (об/мин-1) | M2 (Нм) | i | Fr (Н) | fs | m (кг) | |
| 24 | 559 | 58,15 | 7724 | 0,8 | KR273-90L/4 | 41,5 |
| 28 | 486 | 50,51 | 7731 | 0,9 | ||
| 32 | 425 | 44,2 | 7693 | 1,1 | ||
| 38 | 352 | 36,55 | 7579 | 1,3 | ||
| 46 | 293 | 30,48 | 7419 | 1,5 | ||
| 55 | 246 | 25,55 | 7227 | 1,7 | ||
| 61 | 222 | 23,08 | 7103 | 1,8 | ||
| 73 | 184 | 19,08 | 6854 | 2,1 | ||
| 88 | 153 | 15,92 | 6600 | 2,4 | ||
| 105 | 128 | 13,34 | 6344 | 2,7 | ||
| 117 | 115 | 12 | 6049 | 2,2 | ||
| 141 | 95 | 9,92 | 5791 | 2,5 | ||
| 169 | 80 | 8,28 | 5540 | 2,9 | ||
| 202 | 67 | 6,94 | 5297 | 3,3 | ||
| 210 | 64 | 13,34 | 6344 | 4,7 | KR273-90S/2 | 39,5 |
| 233 | 58 | 12 | 6049 | 3,8 | ||
| 282 | 48 | 9,92 | 5791 | 4,4 | ||
| 338 | 40 | 8,28 | 5540 | 5,0 | ||
| 404 | 33 | 6,94 | 5297 | 5,7 |


Вернуться к выбору мощностей
Мотор-редуктор KR273 - является полным аналогом мотор-редуктора КТМ33 и МВН63 (производства Tos-Znoimo (Чешская Республика) и Siti (Италия) , анагогами ( с приближенными размерностями ) мотор-редукторов ТС90В , ТF90В (производитель -Tramec (Италия)) , мотор-редукторов А 35 2 и А 35 3 , А 30 2 и А 30 3 от Bonfiglioli (Италия), B063 , BA72 , BA73 (производства Motovario (Италия), техническими заменителями мотор-редукторов SK92772 , SK92772 VF , SK92772 AX , SK9012.1 , SK9012.1 VF , SK9012.1 AX , SK9016.1 , SK9016.1 VF , SK9016.1 AX(производства NORD (Германия)).
Редуктор КТ273 можно использовать как аналог редуктора ВН63 производства Siti (Италия), и аналог привода ТА90В , производимого Tramec (Италия)
Если вы хотите купить конические редукторы KR273 , вы можете:
Позвонить:
Российская Федерация
+7 (495) 369-04-89
+7 (910) 726-725-4 (МТС) Смоленск
info@tech-privod.com
Республика Беларусь
+375 17 272-04-08 (т/ф) Минск
+375 29 61-787-61 (A1) Минск
+7 (495) 369-04-89
+7 (910) 726-725-4 (МТС) Смоленск
info@tech-privod.com
Республика Беларусь
+375 17 272-04-08 (т/ф) Минск
+375 29 61-787-61 (A1) Минск
