Конические редукторы KR373 20 об/мин ... 50 об/мин
20 об/мин ... 50 об/мин
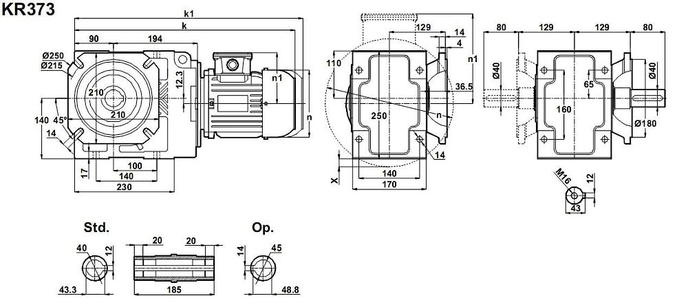
Под эквивалент мощности (DC- AC- двигателя, мобильной энергетической установки) - 1,5 кВт выпускается средне скоростной конический цилиндрический мотор-редуктор KR373-90L/4.Доводимое вращающее усилие - до 700 Нм.
Передаточные соотношения i= 28, i= 33, i= 37, i= 43, i= 50, i= 60 , i= 70, i= 80, i= 90, i= 110.
Предельно допустимые радиально осевые на конце исполнительного вала - 12000 Н.
Экономичное, качественное и долгосрочное приводное решение.
Условное обозначение
Каталог K-series
| Обороты на выходном валу | Крутящий момент на выходном валу | Передаточное число | Радиальные нагрузки на выходной вал | Сервис фактор | Тип редуктора | Масса |
| n2 (об/мин-1) | M2 (Нм) | i | Fr (Н) | fs | m (кг) | |
| 13 | 1064 | 110,61 | 6052 | 0,8 | KR373-90L/4 | 56 |
| 15 | 880 | 91,54 | 9542 | 0,9 | ||
| 18 | 753 | 78,29 | 11216 | 1,1 | ||
| 20 | 660 | 68,65 | 12211 | 1,2 | ||
| 23 | 584 | 60,69 | 12942 | 1,4 | ||
| 27 | 491 | 51,05 | 13739 | 1,7 | ||
| 32 | 417 | 43,4 | 14314 | 2,0 | ||
| 38 | 358 | 37,19 | 14732 | 2,3 | ||
| 42 | 324 | 33,65 | 14955 | 2,5 | ||
| 49 | 278 | 28,85 | 15244 | 3,0 |

Вернуться к выбору мощностей
Мотор-редуктор KR373 - является полным аналогом мотор-редуктора КТМ43 и МВН80 (производства Tos-Znoimo (Чешская Республика) и Siti (Италия) , анагогами, с приближенными размерностями, мотор-редукторов ТС112В , ТF112В (производитель -Tramec (Италия)) , мотор-редукторов А 41 2 и А 41 3 от Bonfiglioli (Италия), тенхническими заменителями мотор-редукторов SK9022.1 , SK9022.1 , SK9022.1 AZ (производства NORD (Германия)), В083 (от Motovario).
Редуктор КТ373 можно использовать как аналогичный (приближенный к присоеденительным размерам) редуктору КЦ1-200 российского производства , привода ТА90В (производимого Tramec (Италия)), технический аналог редукторам ВН80 (произведенных под маркой Siti (Италия)).
Если вы хотите купить конические редукторы KR373 , вы можете:
Позвонить:
Российская Федерация
+7 (495) 369-04-89
+7 (910) 726-725-4 (МТС) Смоленск
info@tech-privod.com
Республика Беларусь
+375 17 272-04-08 (т/ф) Минск
+375 29 61-787-61 (A1) Минск
+7 (495) 369-04-89
+7 (910) 726-725-4 (МТС) Смоленск
info@tech-privod.com
Республика Беларусь
+375 17 272-04-08 (т/ф) Минск
+375 29 61-787-61 (A1) Минск
