Конические редукторы KR473 9,0 об/мин... 20 об/мин
9,0 об/мин... 20 об/мин
Для получения скорости вращения выходного вала 8,1 ~ 25 оборотов в минуту и мощного крутящего момента 650 ~ 1500 Нм, предлагается конический мотор-редуктор KR473-90S/2, KR473-90L/4 и KR473-100L/6, KR473-112M/8.Электромотор 1,5/3000, 1,5/1500, 1,5/1000, 1,5/750.
Привод обладает рядом сервисных и эксплуатационных преимуществ.
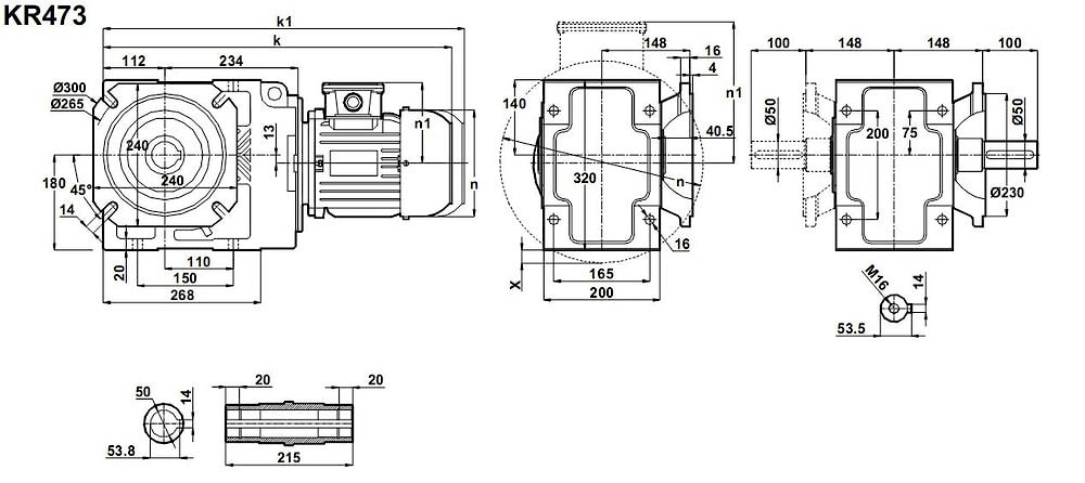
Трансмиссия поставляется в исполнении с выходным фланцем, с полым и выходным валом, с реактивной штангой.
Предусмотрены различные пространственные монтажные расположения конической передачи.
Условное обозначение
Каталог K-series
| Обороты на выходном валу | Крутящий момент на выходном валу | Передаточное число | Радиальные нагрузки на выходной вал | Сервис фактор | Тип редуктора | Масса |
| n2 (об/мин-1) | M2 (Нм) | i | Fr (Н) | fs | m (кг) | |
| 8,1 | 1761 | 110,65 | 13222 | 0,9 | KR473-100L/6 | 96 |
| 9,1 | 1570 | 153,47 | 15312 | 1,0 | KR473-90L/4 | 90 |
| 10 | 1391 | 135,98 | 17024 | 1,1 | ||
| 13 | 1132 | 110,65 | 19056 | 1,4 | ||
| 14 | 1001 | 97,79 | 19928 | 1,5 | ||
| 16 | 895 | 87,49 | 20568 | 1,7 | ||
| 18 | 786 | 76,83 | 21224 | 2,0 | ||
| 22 | 657 | 64,17 | 21909 | 2,4 | ||
| 23 | 620 | 60,63 | 22090 | 2,5 |

Вернуться к выбору мощностей
Мотор-редуктор KR473 - полный аналог мотор-редуктора B103 (от Motovario (Италия)) КТМ53 (Tos-Znojmo (Чехия) МВН100 (Siti (Италия) мотор-редукторов SK9032.1 , SK9032.1 VF , SK9032/1 AZ (NORD (Германия), можно рассматривать как технический аналог мотор-редукторов марок RMI150, RMI150FL , WMI150 (выпускаемых STM (Италия) , MRT150A , MRT150A-FT , MRT150-FF (производство Tos Znojmo (Чехия) , MI150 и MI150-F (произведенных Siti (Италия), MRS150 , MRT150 , SRS150 , SRT150 , 7МЧ-М-150 (производства Varvel (Италия)/Приводная техника (Россия)), мотор-редукторов VF150, А502 и А503 (Bonfiglioli (Италия)).
Редуктор КТ473 можно использовать как технический аналог редуктору КЦ1-250 (российского производства) , привода ВН100 ( произведенных под маркой Siti (Италия)).
Если вы хотите купить конические редукторы KR473 , вы можете:
Позвонить:
Российская Федерация
+7 (495) 369-04-89
+7 (910) 726-725-4 (МТС) Смоленск
info@tech-privod.com
Республика Беларусь
+375 17 272-04-08 (т/ф) Минск
+375 29 61-787-61 (A1) Минск
+7 (495) 369-04-89
+7 (910) 726-725-4 (МТС) Смоленск
info@tech-privod.com
Республика Беларусь
+375 17 272-04-08 (т/ф) Минск
+375 29 61-787-61 (A1) Минск
