Конические редукторы KR002 106 об/мин ... 375 об/мин
106 об/мин ... 375 об/мин
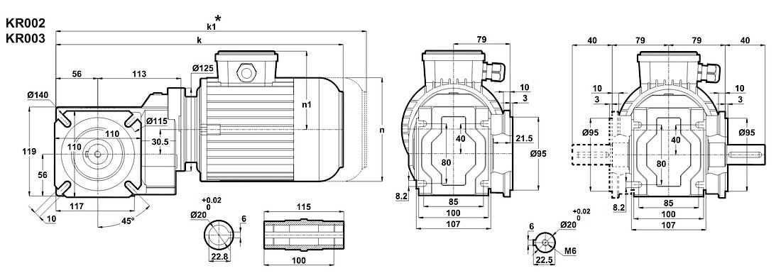
Конические редукторы KR002Условное обозначение
Каталог K-series
| Обороты на выходном валу | Крутящий момент на выходном валу | Передаточное число | Радиальные нагрузки на выходной вал | Сервис фактор | Тип редуктора | Масса |
| n2 (об/мин-1) | M2 (Нм) | i | Fr (Н) | fs | m (кг) | |
| 106 | 94 | 13,26 | 3099 | 0,8 | KR002-90S/4 | 17 |
| 126 | 79 | 11,09 | 3033 | 0,9 | ||
| 149 | 67 | 9,4 | 2951 | 1,0 | ||
| 174 | 58 | 8,04 | 2862 | 1,1 | ||
| 188 | 53 | 7,46 | 2816 | 1,2 | ||
| 211 | 47 | 13,26 | 2744 | 1,3 | KR002-80/2b | 14 |
| 253 | 40 | 11,09 | 2626 | 1,5 | ||
| 298 | 34 | 9,4 | 2515 | 1,6 | ||
| 348 | 29 | 8,04 | 2410 | 1,9 | ||
| 375 | 27 | 7,46 | 2360 | 2,1 |

Вернуться к выбору мощностей
Если вы хотите купить конические редукторы KR002 , вы можете:
Позвонить:
Российская Федерация
+7 (495) 369-04-89
+7 (910) 726-725-4 (МТС) Смоленск
info@tech-privod.com
Республика Беларусь
+375 17 272-04-08 (т/ф) Минск
+375 29 61-787-61 (A1) Минск
+7 (495) 369-04-89
+7 (910) 726-725-4 (МТС) Смоленск
info@tech-privod.com
Республика Беларусь
+375 17 272-04-08 (т/ф) Минск
+375 29 61-787-61 (A1) Минск
