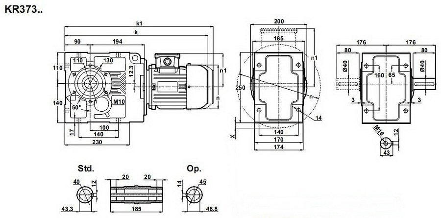
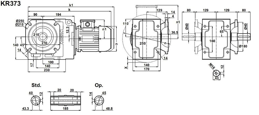
Конические редукторы KR373 10 об/мин... 40 об/мин
10 об/мин... 40 об/мин
Асинхронный электродвигатель мощностью 1,1 кВт (1,1/2800, 1,1/1400, 1,1/900, 1,1/700) в составе с цилиндро-конической редукторной приставкой, обладающей средне скоростной линейкой передаточных чисел i=40 ~ i=110 представлены как мотор-редуктор KR373-80/2b, KR373-90S/4, KR373-90L/6 и KR373-100L/8.Номинальный крутящий момент редуктора - 820 Нм.
Крутящий момент на выходном валу - 200 Нм ~ 1000 Нм.
Допустимые радиальные осевые нагрузки на выходном валу - 12000 Н.
Условное обозначение
Каталог K-series
| Обороты на выходном валу | Крутящий момент на выходном валу | Передаточное число | Радиальные нагрузки на выходной вал | Сервис фактор | Тип редуктора | Масса |
| n2 (об/мин-1) | M2 (Нм) | i | Fr (Н) | fs | m (кг) | |
| 8,1 | 1214 | 110,61 | 0,7 | KR373-90L/6 | 54 | |
| 10 | 1004 | 91,54 | 7390 | 0,8 | ||
| 11 | 859 | 78,29 | 9847 | 1,0 | ||
| 13 | 780 | 110,61 | 10890 | 1,1 | KR373-90S/4 | 51 |
| 15 | 646 | 91,54 | 12353 | 1,3 | ||
| 18 | 552 | 78,29 | 13238 | 1,5 | ||
| 20 | 484 | 68,65 | 13792 | 1,7 | ||
| 23 | 428 | 60,69 | 14213 | 1,9 | ||
| 27 | 360 | 51,05 | 14716 | 2,3 | ||
| 32 | 306 | 43,40 | 15068 | 2,7 | ||
| 38 | 262 | 37,19 | 15337 | 3,1 |


Вернуться к выбору мощностей
Мотор-редуктор KR373 - является полным аналогом мотор-редуктора КТМ43 и МВН80 (производства Tos-Znoimo (Чешская Республика) и Siti (Италия) , анагогами, с приближенными размерностями, мотор-редукторов ТС112В , ТF112В (производитель -Tramec (Италия)) , мотор-редукторов А 41 2 и А 41 3 от Bonfiglioli (Италия), техническими заменителями мотор-редукторов SK9022.1 , SK9022.1 , SK9022.1 AZ (производства NORD (Германия)), В083 (от Motovario).
Редуктор КТ373 можно использовать как аналогичный (приближенный к присоеденительным размерам) редуктору КЦ1-200 российского производства , привода ТА90В (производимого Tramec (Италия)), технический аналог редукторам ВН80 (произведенных под маркой Siti (Италия)).
Если вы хотите купить конические редукторы KR373 , вы можете:
Позвонить:
Российская Федерация
+7 (495) 369-04-89
+7 (910) 726-725-4 (МТС) Смоленск
info@tech-privod.com
Республика Беларусь
+375 17 272-04-08 (т/ф) Минск
+375 29 61-787-61 (A1) Минск
+7 (495) 369-04-89
+7 (910) 726-725-4 (МТС) Смоленск
info@tech-privod.com
Республика Беларусь
+375 17 272-04-08 (т/ф) Минск
+375 29 61-787-61 (A1) Минск
