Конические редукторы KR273 25 об/мин... 400 об/мин
25 об/мин... 400 об/мин
Зубчатой трансмиссией KR273-80/2b KR273-90S/4 называется трехзвенный редукторный механизм, у которого две подвижные ступени непосредственные цилиндрические зубчатые колеса и коническая передача, которые располагаются в надежном, стационарном прочном корпусе - узел образует вращательный и поступательный крутящий момент на выходном валу 50 - 400 Нм.
Подводимая расчетная мощность - 1,1кВт с напряжением 220В и 380В.
Передаточные числа i=6.0 - i=80.
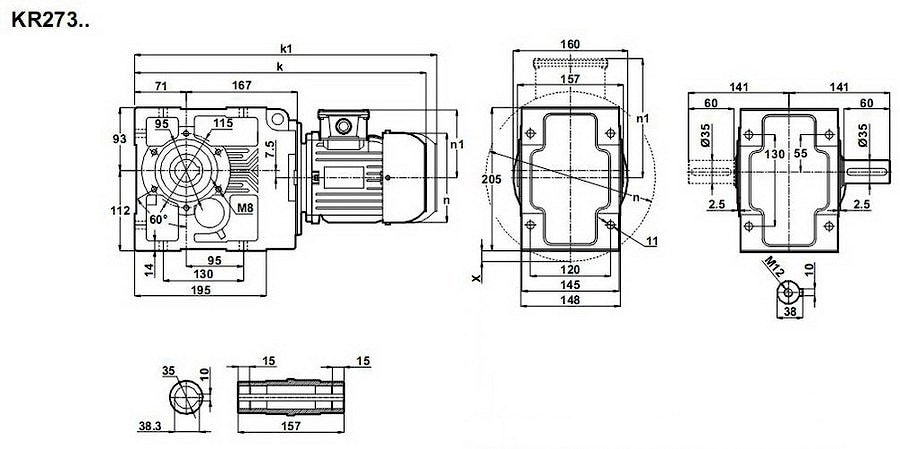
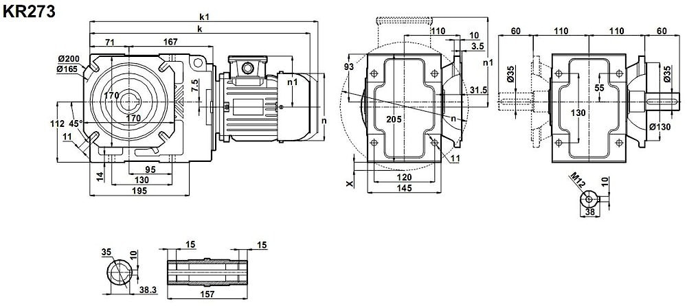
Условное обозначение
Каталог K-series
| Обороты на выходном валу | Крутящий момент на выходном валу | Передаточное число | Радиальные нагрузки на выходной вал | Сервис фактор | Тип редуктора | Масса |
| n2 (об/мин-1) | M2 (Нм) | i | Fr (Н) | fs | m (кг) | |
| 17 | 589 | 83,48 | 9031 | 0,8 | KR273-90S/4 | 39,5 |
| 19 | 514 | 72,92 | 8999 | 0,9 | ||
| 20 | 482 | 68,4 | 8968 | 0,9 | ||
| 24 | 410 | 58,15 | 8850 | 1,1 | ||
| 28 | 356 | 50,51 | 8709 | 1,3 | ||
| 32 | 312 | 44,2 | 8549 | 1,4 | ||
| 38 | 258 | 36,55 | 8287 | 1,7 | ||
| 46 | 215 | 30,48 | 8009 | 2,1 | ||
| 55 | 180 | 25,55 | 7721 | 2,4 | ||
| 61 | 163 | 23,08 | 7550 | 2,5 | ||
| 73 | 135 | 19,08 | 7224 | 2,9 | ||
| 88 | 112 | 15,92 | 6909 | 3,3 | ||
| 105 | 94 | 13,34 | 6603 | 3,7 | ||
| 117 | 85 | 12 | 6318 | 3,0 | ||
| 141 | 70 | 9,92 | 6013 | 3,4 | ||
| 169 | 58 | 8,28 | 5726 | 3,9 | ||
| 202 | 49 | 6,94 | 5452 | 4,5 | ||
| 210 | 47 | 13,34 | 6603 | 6,4 | KR273-80/2b | 37 |
| 233 | 42 | 12 | 6318 | 5,2 | ||
| 282 | 35 | 9,92 | 6013 | 6,0 | ||
| 338 | 29 | 8,28 | 5726 | 6,9 | ||
| 404 | 24 | 6,94 | 5452 | 7,8 |


Вернуться к выбору мощностей
Мотор-редуктор KR273 - является полным аналогом мотор-редуктора КТМ33 и МВН63 (производства Tos-Znoimo (Чешская Республика) и Siti (Италия) , анагогами ( с приближенными размерностями ) мотор-редукторов ТС90В , ТF90В (производитель -Tramec (Италия)) , мотор-редукторов А 35 2 и А 35 3 , А 30 2 и А 30 3 от Bonfiglioli (Италия), B063 , BA72 , BA73 (производства Motovario (Италия), техническими заменителями мотор-редукторов SK92772 , SK92772 VF , SK92772 AX , SK9012.1 , SK9012.1 VF , SK9012.1 AX , SK9016.1 , SK9016.1 VF , SK9016.1 AX(производства NORD (Германия)).
Редуктор КТ273 можно использовать как аналог редуктора ВН63 производства Siti (Италия), и аналог привода ТА90В , производимого Tramec (Италия)
Если вы хотите купить конические редукторы KR273 , вы можете:
Позвонить:
Российская Федерация
+7 (495) 369-04-89
+7 (910) 726-725-4 (МТС) Смоленск
info@tech-privod.com
Республика Беларусь
+375 17 272-04-08 (т/ф) Минск
+375 29 61-787-61 (A1) Минск
+7 (495) 369-04-89
+7 (910) 726-725-4 (МТС) Смоленск
info@tech-privod.com
Республика Беларусь
+375 17 272-04-08 (т/ф) Минск
+375 29 61-787-61 (A1) Минск
