Конические редукторы KR774 2,0 об/мин... 4,0 об/мин
2,0 об/мин... 4,0 об/мин
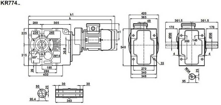
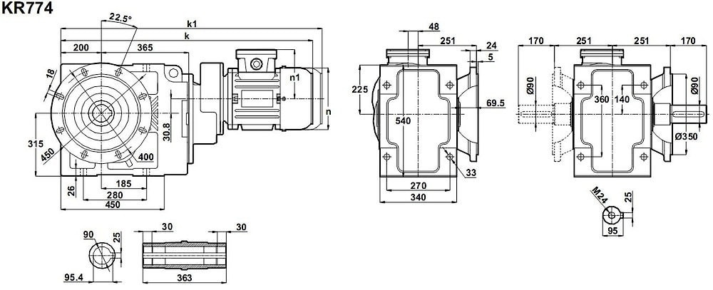
В чугунном литом прочном корпусе располагаются четыре ступени конических зубчатых передач, соотносимых пар ведомых и ведущих зубчатых колес, достигаемые передаточные числа i=280 - i=400, с подводимой номинальной мощностью в 1,1 кВт - цилиндрический мотор-редуктор с коническим звеном KR774-90S/4 и KR774-90L/6.Номинальный крутящий редуктора - 8000 Nm.
Привод может адаптирован согласно Вашим запросам габаритно-присоединительных и крепежно-посадочных размеров.
Условное обозначение
Каталог K-series
| Обороты на выходном валу | Крутящий момент на выходном валу | Передаточное число | Радиальные нагрузки на выходной вал | Сервис фактор | Тип редуктора | Масса |
| n2 (об/мин-1) | M2 (Нм) | i | Fr (Н) | fs | m (кг) | |
| 2,3 | 4237 | 396 | 82591 | 1,9 | KR774-90L/6 | 431 |
| 2,5 | 3792 | 354,32 | 84018 | 2,1 | ||
| 2,9 | 3336 | 311,14 | 85175 | 2,4 | ||
| 3,2 | 2988 | 278,35 | 86084 | 2,7 | ||
| 3,5 | 2724 | 396 | 86748 | 2,9 | KR774-90S/4 | 428 |
| 4,0 | 2438 | 354,32 | 87443 | 3,3 |


Вернуться к выбору мощностей
Мотор-редуктор KR774 - является полным аналогом мотор-редукторов: МВН160 (Siti (Италия)) , В153 (Motovario (Италия) , SK9062.1 / 32 - , SK9062.1 / 32 VF , SK9062.1 / 32 AZ , SK9062.1 / 42 - , SK9062.1 / 42 VF , SK9062.1 / 42 AZ (Nord (Германия) , анагогами, с приближенными размерностями, мотор-редукторов ТС180С , ТF180С , ТС200С , ТF200С (производитель -Tramec (Италия)) , VFR250 , A 804 (Bonfiglioli (Италия), CRMI-130/180 (выпускаемой Stm (Италия).
Редуктор КТ774 можно рассматривать как аналогичный редукторам ТА180С , ТА200С (производства Tramec (Италия)), КЦ1-400 , КЦ2-750 (российских заводов) , технический аналог ВН160 (произведенных под маркой Siti (Италия)).
Если вы хотите купить конические редукторы KR774 , вы можете:
Позвонить:
Российская Федерация
+7 (495) 369-04-89
+7 (910) 726-725-4 (МТС) Смоленск
info@tech-privod.com
Республика Беларусь
+375 17 272-04-08 (т/ф) Минск
+375 29 61-787-61 (A1) Минск
+7 (495) 369-04-89
+7 (910) 726-725-4 (МТС) Смоленск
info@tech-privod.com
Республика Беларусь
+375 17 272-04-08 (т/ф) Минск
+375 29 61-787-61 (A1) Минск
