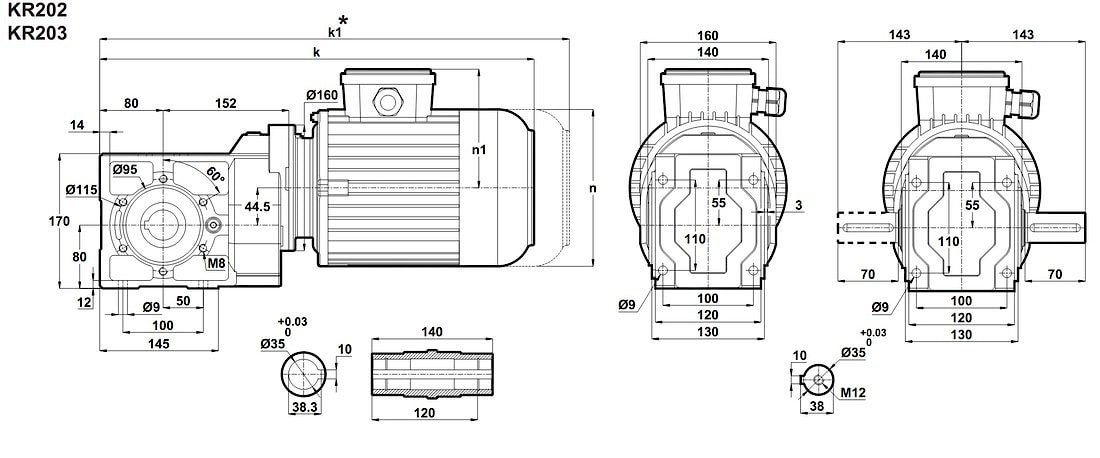
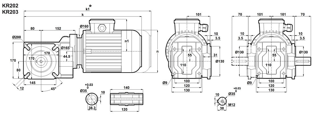
Конические редукторы KR202 и KR203 27 об/мин ... 132 об/мин
27 об/мин ... 132 об/мин

Условное обозначение
Каталог K-series
Обороты на выходном валу | Крутящий момент на выходном валу | Передаточное число | Радиальные нагрузки на выходной вал | Сервис фактор | Тип редуктора | Масса |
n2 (об/мин-1) | M2 (Нм) | i | Fr (Н) | fs | m (кг) | |
27 | 367 | 52,37 | 3288 | 0,8 | KR203-90S/4 | 24 |
32 | 307 | 43,67 | 4803 | 0,9 | ||
38 | 258 | 36,61 | 4860 | 1,1 | ||
44 | 222 | 31,55 | 4859 | 1,3 | ||
53 | 186 | 26,31 | 4805 | 1,4 | ||
59 | 169 | 23,79 | 4871 | 1,7 | KR202-90S/4 | 23 |
69 | 144 | 20,23 | 4745 | 1,9 | ||
80 | 125 | 17,47 | 4619 | 2,2 | ||
92 | 109 | 15,26 | 4496 | 2,4 | ||
98 | 102 | 14,32 | 4436 | 2,5 | ||
115 | 87 | 12,17 | 4281 | 2,8 | ||
132 | 76 | 10,57 | 4142 | 3,1 |


Вернуться к выбору мощностей
Если вы хотите купить конические редукторы KR202 и KR203 , вы можете:
Позвонить:
Российская Федерация
+7 (495) 369-04-89
+7 (910) 726-725-4 (МТС) Смоленск
info@tech-privod.com
Республика Беларусь
+375 17 272-04-08 (т/ф) Минск
+375 29 61-787-61 (A1) Минск
+7 (495) 369-04-89
+7 (910) 726-725-4 (МТС) Смоленск
info@tech-privod.com
Республика Беларусь
+375 17 272-04-08 (т/ф) Минск
+375 29 61-787-61 (A1) Минск