Конические редукторы KR473 6,0 об/мин... 20 об/мин
6,0 об/мин... 20 об/мин
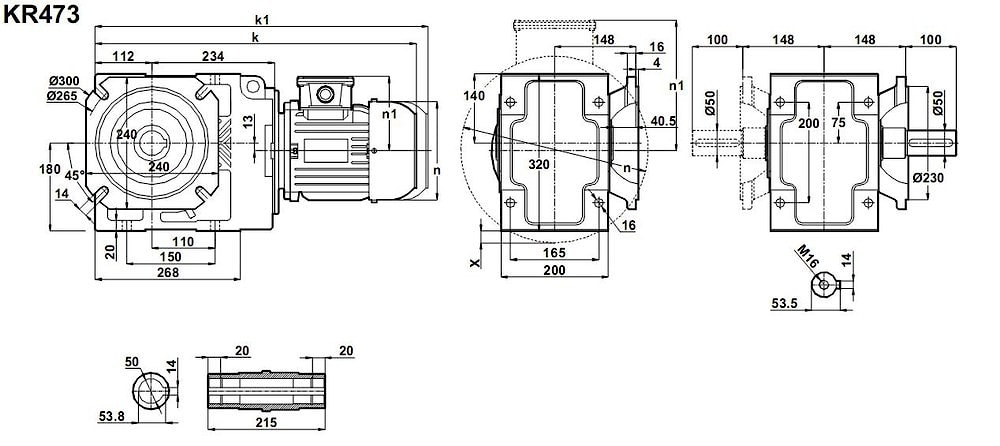
Коническо-цилиндрический редукторный механизм с маркировкой KR473-90S/4 и KR473-90L/6 - это трехступенчатая коническая силовая трансмиссия промышленного типа, призванная извлекать крутящий момент на выходе 500 Nm - 1500 Nm из угловой скорости электродвигателя мощностью 1,1кВт в четырех- и шести- полюсных конфигурациях.Ряд передаточных чисел i= 65, i= 75, i= 90, i= 100, i= 110, i=135, i= 150.
Уровень радиальных нагрузок на выходные валы - 1900 Нм.
Условное обозначение
Каталог K-series
| Обороты на выходном валу | Крутящий момент на выходном валу | Передаточное число | Радиальные нагрузки на выходной вал | Сервис фактор | Тип редуктора | Масса |
| n2 (об/мин-1) | M2 (Нм) | i | Fr (Н) | fs | m (кг) | |
| 5,9 | 1791 | 153,47 | 12852 | 0,9 | KR473-90L/6 | 94 |
| 6,6 | 1587 | 135,98 | 15173 | 1,0 | ||
| 8,1 | 1292 | 110,65 | 17878 | 1,2 | ||
| 9,1 | 1152 | 153,47 | 18920 | 1,3 | KR473-90S/4 | 91 |
| 10 | 1020 | 135,98 | 19802 | 1,5 | ||
| 13 | 830 | 110,65 | 20977 | 1,9 | ||
| 14 | 734 | 97,79 | 21509 | 2,1 | ||
| 16 | 657 | 87,49 | 21909 | 2,4 | ||
| 18 | 577 | 76,83 | 22303 | 2,7 | ||
| 22 | 482 | 64,17 | 22743 | 3,2 |


Вернуться к выбору мощностей
Мотор-редуктор KR473 - полный аналог мотор-редуктора B103 (от Motovario (Италия)) КТМ53 (Tos-Znojmo (Чехия) МВН100 (Siti (Италия) мотор-редукторов SK9032.1 , SK9032.1 VF , SK9032/1 AZ (NORD (Германия), можно рассматривать как технический аналог мотор-редукторов марок RMI150, RMI150FL , WMI150 (выпускаемых STM (Италия) , MRT150A , MRT150A-FT , MRT150-FF (производство Tos Znojmo (Чехия) , MI150 и MI150-F (произведенных Siti (Италия), MRS150 , MRT150 , SRS150 , SRT150 , 7МЧ-М-150 (производства Varvel (Италия)/Приводная техника (Россия)), мотор-редукторов VF150, А502 и А503 (Bonfiglioli (Италия)).
Редуктор КТ473 можно использовать как технический аналог редуктору КЦ1-250 (российского производства) , привода ВН100 ( произведенных под маркой Siti (Италия)).
Если вы хотите купить конические редукторы KR473 , вы можете:
Позвонить:
Российская Федерация
+7 (495) 369-04-89
+7 (910) 726-725-4 (МТС) Смоленск
info@tech-privod.com
Республика Беларусь
+375 17 272-04-08 (т/ф) Минск
+375 29 61-787-61 (A1) Минск
+7 (495) 369-04-89
+7 (910) 726-725-4 (МТС) Смоленск
info@tech-privod.com
Республика Беларусь
+375 17 272-04-08 (т/ф) Минск
+375 29 61-787-61 (A1) Минск
