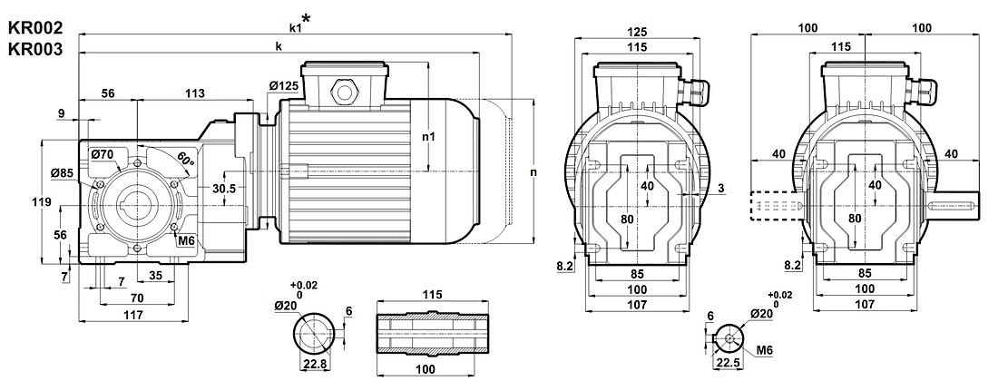
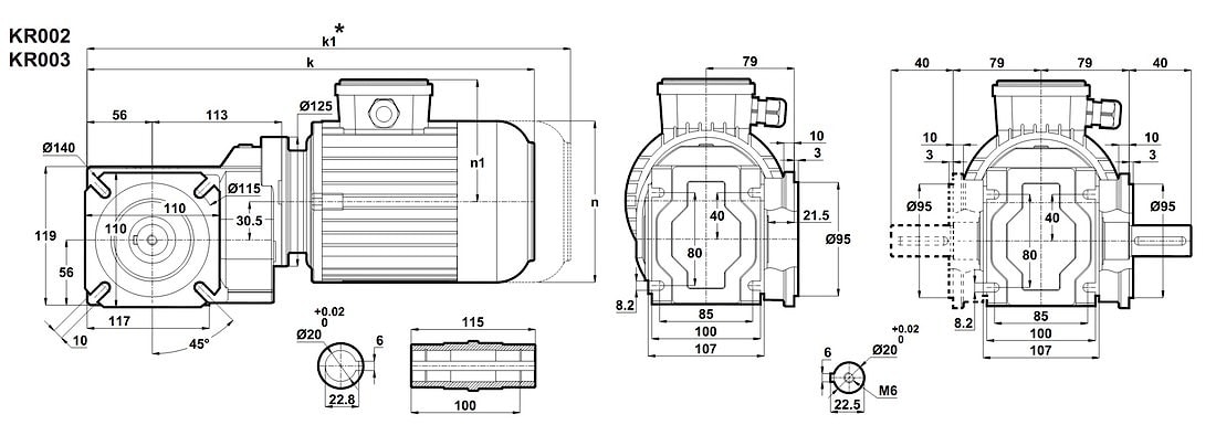
Конические редукторы KR002 и KR003 47 об/мин ... 375 об/мин
47 об/мин ... 375 об/мин
Конические редукторы KR002 и KR003 Условное обозначение
Каталог K-series
| Обороты на выходном валу | Крутящий момент на выходном валу | Передаточное число | Радиальные нагрузки на выходной вал | Сервис фактор | Тип редуктора | Масса |
| n2 (об/мин-1) | M2 (Нм) | i | Fr (Н) | fs | m (кг) | |
| 47 | 105 | 29,95 | 2852 | 0,8 | KR003-80/4a | 15 |
| 55 | 90 | 25,64 | 3150 | 0,9 | ||
| 59 | 83 | 23,79 | 3147 | 1,0 | ||
| 70 | 70 | 19,88 | 3935 | 1,1 | KR002-80/4a | 14 |
| 87 | 57 | 16,18 | 3745 | 1,3 | ||
| 95 | 52 | 14,73 | 3656 | 1,4 | ||
| 106 | 47 | 13,26 | 3556 | 1,6 | ||
| 126 | 39 | 11,09 | 3386 | 1,9 | ||
| 149 | 33 | 9,4 | 3230 | 2,1 | ||
| 174 | 29 | 8,04 | 3087 | 2,3 | ||
| 188 | 27 | 7,46 | 3020 | 2,4 | ||
| 190 | 26 | 14,73 | 3009 | 2,3 | KR002-71/2b | 12 |
| 211 | 24 | 13,26 | 2915 | 2,6 | ||
| 253 | 20 | 11,09 | 2761 | 3,0 | ||
| 298 | 17 | 9,4 | 2624 | 3,3 | ||
| 348 | 13 | 8,04 | 2500 | 3,8 | ||
| 375 | 13 | 7,46 | 2442 | 4,0 |


Вернуться к выбору мощностей
Если вы хотите купить конические редукторы KR002 и KR003 , вы можете:
Позвонить:
Российская Федерация
+7 (495) 369-04-89
+7 (910) 726-725-4 (МТС) Смоленск
info@tech-privod.com
Республика Беларусь
+375 17 272-04-08 (т/ф) Минск
+375 29 61-787-61 (A1) Минск
+7 (495) 369-04-89
+7 (910) 726-725-4 (МТС) Смоленск
info@tech-privod.com
Республика Беларусь
+375 17 272-04-08 (т/ф) Минск
+375 29 61-787-61 (A1) Минск
