Конические редукторы KR373 7,0 об/мин... 18 об/мин
7,0 об/мин... 18 об/мин
Под обще промышленные асинхронные электродвигатели переменного тока (200В, 380В) мощностью 0,55кВт в четырех- и шести- полюсной конфигурациях (0,55/1500 и 0,55/1000) специально изготавливается коническо-цилиндрические мотор-редукторы KR373-80/4a и KR373-80/6b.Трансмиссия выпускается с номинальными передаточными числами 80, 90, 110, 130.
Передаваемые крутящие моменты: 300 ~ 700Нм.
Гарантия от производителя - 12 месяцев.
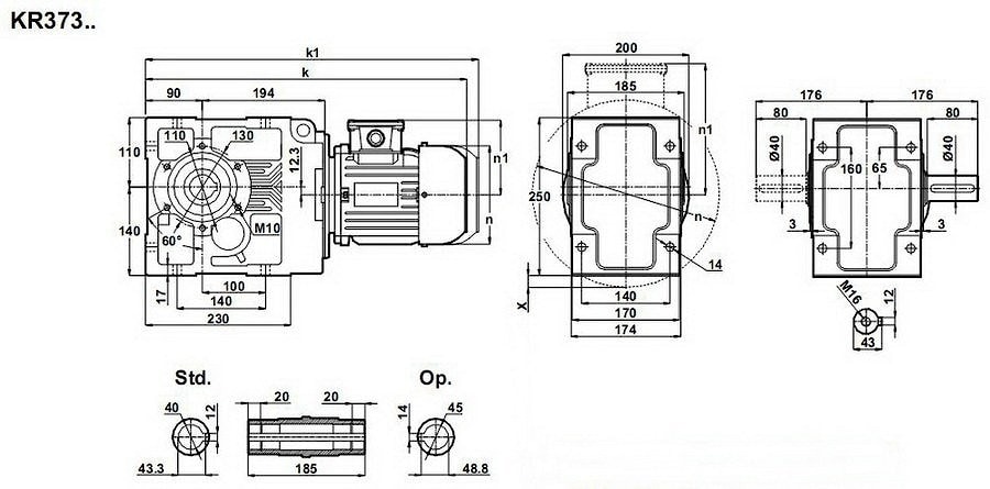
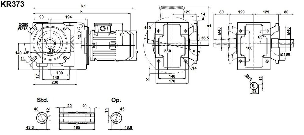
Условное обозначение
Каталог K-series
| Обороты на выходном валу | Крутящий момент на выходном валу | Передаточное число | Радиальные нагрузки на выходной вал | Сервис фактор | Тип редуктора | Масса |
| n2 (об/мин-1) | M2 (Нм) | i | Fr (Н) | fs | m (кг) | |
| 7,1 | 698 | 127,3 | 11836 | 1,2 | KR373-80/6b | 56 |
| 8,1 | 607 | 110,61 | 12756 | 1,4 | ||
| 10 | 502 | 91,54 | 16830 | 1,6 | ||
| 11 | 449 | 127,3 | 14060 | 1,8 | KR373-80/4a | 54 |
| 13 | 390 | 110,61 | 14509 | 2,1 | ||
| 15 | 323 | 91,54 | 14962 | 2,5 | ||
| 18 | 276 | 78,29 | 15254 | 3,0 |


Вернуться к выбору мощностей
Мотор-редуктор KR373 - является полным аналогом мотор-редуктора КТМ43 и МВН80 (производства Tos-Znoimo (Чешская Республика) и Siti (Италия) , анагогами, с приближенными размерностями, мотор-редукторов ТС112В , ТF112В (производитель -Tramec (Италия)) , мотор-редукторов А 41 2 и А 41 3 от Bonfiglioli (Италия), тенхническими заменителями мотор-редукторов SK9022.1 , SK9022.1 , SK9022.1 AZ (производства NORD (Германия)), В083 (от Motovario).
Редуктор КТ373 можно использовать как аналогичный (приближенный к присоеденительным размерам) редуктору КЦ1-200 российского производства , привода ТА90В (производимого Tramec (Италия)), технический аналог редукторам ВН80 (произведенных под маркой Siti (Италия)).
Если вы хотите купить конические редукторы KR373 , вы можете:
Позвонить:
Российская Федерация
+7 (495) 369-04-89
+7 (910) 726-725-4 (МТС) Смоленск
info@tech-privod.com
Республика Беларусь
+375 17 272-04-08 (т/ф) Минск
+375 29 61-787-61 (A1) Минск
+7 (495) 369-04-89
+7 (910) 726-725-4 (МТС) Смоленск
info@tech-privod.com
Республика Беларусь
+375 17 272-04-08 (т/ф) Минск
+375 29 61-787-61 (A1) Минск
